Spaider писал(а):А у меня в морозы цифры и символы на табло прыгали хаотично и климат работал, как хотел. Потом, однажды табло не засветилось ваще. Предохранители и клемма не помогали. Разобрал блок управления, протёр спиртиком, пошатал контакты
, собрал обратно и пока не беспокоит
.
, очень буду благодарен. Вчера после прикуривания умер блок управления климатом, второй день гоняю с замороженными стеклами
, отогревание, шатание предов и т.д не спасло. Могло ли в данном блоке что то сгореть?

Андрей1969 писал(а):да не помогло я разбирал собирал не как

Mitsevich писал(а):При низком заряде аккумулятора табло климат контроля не включается, лечится просто покупаешь новый аккумулятор и забываешь о проблеме...
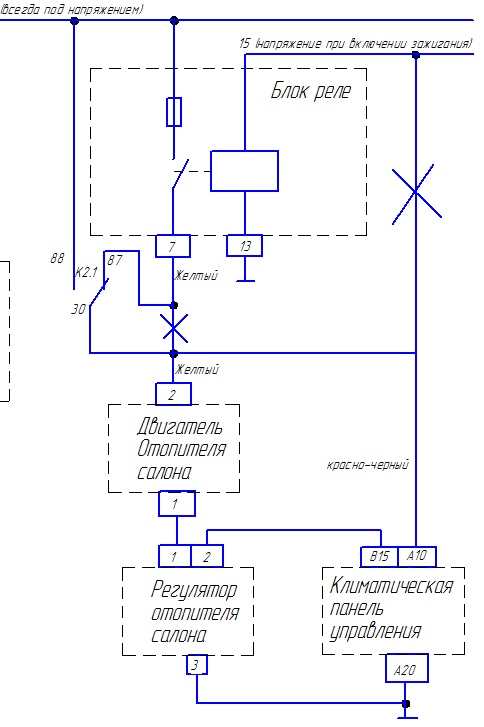
deka писал(а):Установщики вебасты откусили штатный сигнальный провод от замка зажигания к климату. К блоку климата приходит новый хз откуда.Времени не было разбираться, повесил через диоды оба провода на климат, потом поеду к вебастовцам.
онагр писал(а):Всем доброго дня. Вот и Я удостоился данной проблемы. Вчера поставил машинку на стоянку, всё работало. Сегодня утром -16, не так уж и много по сравнению со вчерашними -21, завёлся нормально, а табло климата не горит и ничего не работает. выехал со стоянки, решил почистить снег с машинки и понял что до работы без климата не доеду, всё запотело, обдува нет печка не работает. Пришлось ехать на метро. Вечером попробую все вышеперечисленные варианты: дёргать, снимать, вытаскивать пепельницу. По результатам отпишусь.

Спасибо за информацию, так и сделаю.
Вернуться в Климат-контроль и вентиляция (BL)
Сейчас этот форум просматривают: нет зарегистрированных пользователей и гости: 4