Передние амортизаторы

Особенности устройства и эксплуатации элементов подвески и ходовой части автомобилей KIA SORENTO XM (2009MY)

Re: Надёжность передних амортизаторов Нового Соренто

Сообщение syv » 29 авг 2012, 20:47

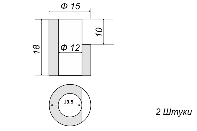
Я был очень не доволен передними амортами. При переезде лежачего полицая сильный стук на отбое мне не сильно понравился, вот и решил , что поставив КОНЕЙ с регулировкой жёсткости, я подберу жёсткость отбоя. Оказалось я на правильном пути (накрутить от мягкой подвески до жёсткой за 10 секунд) и очень доволен. Далее Аморты 8641-1504 (вкладыши) установил согласно методике прилагаемой к инструкции, да и в инете есть видео установки картриджей КОНЕЙ на Тойоту и т.д. Картриджи полностью подходят к нашим амортам, но... есть не зачительные отличия, которые пришлось исправить. 1.Шток нашего аморта имеет лыску, А КОНЬ нет. в остальных размерах хвостовики одинаковые. В этом случае в верхней опоре нашего аморта надо спилить выступ, но я поставил втулку с прточкой, а выступ не спиливал и всё подошло, как родное. 2. Внутренний диаметр трубы нашего аморта на около 1ммбольше расчётного, для этого я выточил переходную втулку, которую запрессовал в трубу. Далее задавил в сапог картридж КОНЯ, соответственно перед этим сверлится отв. в сапоге под болт крепления (согл инстр.) Размеры втулок могу выложить. Фото установки не делал.
Вот пример как ставить: http://db.tt/VkAojAZW Отзывы: http://forum.santafe-autoclub.ru/index. ... 1165&st=20
Вложения
Втулка в сапог.jpg
Втулка на шток.jpg
Последний раз редактировалось syv 30 авг 2012, 21:39, всего редактировалось 6 раз(а).
Аватара пользователя
syv
 
 
Сообщения: 796
Зарегистрирован: 05 июл 2011, 21:32
Откуда: Ростов на Дону
Благодарил (а): 65 раз.
Поблагодарили: 66 раз.
Имя: Юрий
Автомобиль: Sorento XM, 2.4 (174 л/с), 4WD, MT
Год выпуска: 2011
Доп. информация: Аморт - перед патрон KYB 365076, зад "Kayba"; пружины H&R+25; 255/55/18; распорка, Чип тюн; Шумка .

Re: Надёжность передних амортизаторов Нового Соренто

Сообщение birul73 » 29 авг 2012, 20:56

syv писал(а):Размеры втулок могу выложить

Думаю многие будут благодарны. И хотя бы схемку от руки, куда вставлял.
birul73
 
 
Сообщения: 507
Зарегистрирован: 09 янв 2007, 14:06
Откуда: Монино, Мос.обл
Благодарил (а): 0 раз.
Поблагодарили: 3 раз.
Имя: Сергей
Автомобиль: Sorento XM, 2.4 (174 л/с), 4WD, AT
Год выпуска: 2009
Доп. информация: Красный Executive, тёмный салон...

Re: Надёжность передних амортизаторов Нового Соренто

Сообщение syv » 29 авг 2012, 21:03

birul73 писал(а):Думаю многие будут благодарны. И хотя бы схемку от руки, куда вставлял

НЕ могу втыкнуться, как прикрепить чертёж????
Аватара пользователя
syv
 
 
Сообщения: 796
Зарегистрирован: 05 июл 2011, 21:32
Откуда: Ростов на Дону
Благодарил (а): 65 раз.
Поблагодарили: 66 раз.
Имя: Юрий
Автомобиль: Sorento XM, 2.4 (174 л/с), 4WD, MT
Год выпуска: 2011
Доп. информация: Аморт - перед патрон KYB 365076, зад "Kayba"; пружины H&R+25; 255/55/18; распорка, Чип тюн; Шумка .

Re: Надёжность передних амортизаторов Нового Соренто

Сообщение ANVITOS » 29 авг 2012, 21:15

syv
А все-таки они ОДНО- или ДВУХсторонние. То есть сжимаются и разжимаются в обе стороны одинаково туго, или нет?
Я люблю её по-своему. И она меня ... по-моему
Изображение
Аватара пользователя
ANVITOS
 
 
Сообщения: 1188
Зарегистрирован: 13 ноя 2011, 16:17
Откуда: Санкт-Петербург
Благодарил (а): 49 раз.
Поблагодарили: 50 раз.
Имя: Андрей
Автомобиль: Sorento XM, 2.4 (174 л/с), 4WD, AT
Год выпуска: 2010
Доп. информация: ПРЕСТИЖ, черный,
IGO от ShineOn,
Пружины от Влада.
Grand Santa Fe, 2018 г. Style, белый, дизель.

Re: Надёжность передних амортизаторов Нового Соренто

Сообщение syv » 29 авг 2012, 21:28

Они газовые. Шток вдавливается туго, обратно сам выдвигается, как на всех. А если принудительно тащить, то усилие в зависимости от того как накрутишь регулятор усилия

Добавлено через 22 минуты 45 секунд:
max1974ul писал(а):а какой ход штока при этом? как на штатных или немного больше получается? интересует возможность установки на лифтованные пружины

Геометрические размеры длина, ход и диаметр штока как на стоковых
Аватара пользователя
syv
 
 
Сообщения: 796
Зарегистрирован: 05 июл 2011, 21:32
Откуда: Ростов на Дону
Благодарил (а): 65 раз.
Поблагодарили: 66 раз.
Имя: Юрий
Автомобиль: Sorento XM, 2.4 (174 л/с), 4WD, MT
Год выпуска: 2011
Доп. информация: Аморт - перед патрон KYB 365076, зад "Kayba"; пружины H&R+25; 255/55/18; распорка, Чип тюн; Шумка .

Re: Надёжность передних амортизаторов Нового Соренто

Сообщение ANVITOS » 29 авг 2012, 22:01

syv писал(а):Шток вдавливается туго, обратно сам выдвигается, как на всех.

Блин, жалко! Еще одна надежда что-то радикально поправить в подвеске рухнула... :cry:
Я люблю её по-своему. И она меня ... по-моему
Изображение
Аватара пользователя
ANVITOS
 
 
Сообщения: 1188
Зарегистрирован: 13 ноя 2011, 16:17
Откуда: Санкт-Петербург
Благодарил (а): 49 раз.
Поблагодарили: 50 раз.
Имя: Андрей
Автомобиль: Sorento XM, 2.4 (174 л/с), 4WD, AT
Год выпуска: 2010
Доп. информация: ПРЕСТИЖ, черный,
IGO от ShineOn,
Пружины от Влада.
Grand Santa Fe, 2018 г. Style, белый, дизель.

Re: Надёжность передних амортизаторов Нового Соренто

Сообщение birul73 » 30 авг 2012, 07:45

А материал какой?
birul73
 
 
Сообщения: 507
Зарегистрирован: 09 янв 2007, 14:06
Откуда: Монино, Мос.обл
Благодарил (а): 0 раз.
Поблагодарили: 3 раз.
Имя: Сергей
Автомобиль: Sorento XM, 2.4 (174 л/с), 4WD, AT
Год выпуска: 2009
Доп. информация: Красный Executive, тёмный салон...

Re: Надёжность передних амортизаторов Нового Соренто

Сообщение lis 999 » 30 авг 2012, 11:06

А кто подскажет, где смотреть номер аммо, какие стоят на машине?
Спасибо!
Изображение
Изображение
lis 999
 
 
Сообщения: 272
Зарегистрирован: 14 май 2012, 15:36
Откуда: Санкт-Петербург (Пушкин)
Благодарил (а): 0 раз.
Поблагодарили: 2 раз.
Имя: Александр
Автомобиль: Sorento XM, 2.4 (174 л/с), 4WD, AT
Год выпуска: 2012

Re: Надёжность передних амортизаторов Нового Соренто

Сообщение syv » 30 авг 2012, 20:05

ANVITOS писал(а):Блин, жалко! Еще одна надежда что-то радикально поправить в подвеске рухнула.

Почему рухнула? А какого результата ожидал? Сделать мягче----- в сапог под картридж поставить втулку 20-30 мм, тем самым прослабим преднатяг пружины, соотв. мягче. Компенсировать лифт, соотв. установить проставку на стойку в сборе.

Добавлено через 34 минуты 8 секунд:
lis 999 писал(а):А кто подскажет, где смотреть номер аммо, какие стоят на машине?
Спасибо!

В нижней части аморт протри грязь и увидишь выдавленный номер

Добавлено через 2 минуты 9 секунд:
birul73 писал(а):А материал какой

Сталь от25 до 45. Втулку можно не вваривать, просто запресовать в сапог.
Аватара пользователя
syv
 
 
Сообщения: 796
Зарегистрирован: 05 июл 2011, 21:32
Откуда: Ростов на Дону
Благодарил (а): 65 раз.
Поблагодарили: 66 раз.
Имя: Юрий
Автомобиль: Sorento XM, 2.4 (174 л/с), 4WD, MT
Год выпуска: 2011
Доп. информация: Аморт - перед патрон KYB 365076, зад "Kayba"; пружины H&R+25; 255/55/18; распорка, Чип тюн; Шумка .

Re: Надёжность передних амортизаторов Нового Соренто

Сообщение ANVITOS » 30 авг 2012, 23:09

syv писал(а):А какого результата ожидал? Сделать мягче

Мягче? Нет смысла, будет пробивать, слишком короткий ход подвески. Подъемом вверх аморта ничего принципиально не изменить. У меня стоят Владовские пружины на них преднатяг почти полностью убран. Хотелось бы снизить передачу крупных колебаний на кузов, это хорошо достигается установкой односторонних амортов (входят легко, вылазят туго). Мне очень понравилась работа таких амов (Кони) без потери управляемости при "правильной" жесткости пружин (Влада) на других авто...

Добавлено через 58 минут 36 секунд:
Именно это имел в виду Владислав Викторович ака Влад когда написал про картриджи КОНИ в теме про задние амортизаторы (стр.11) "Наконец-то! Есть самый плохой амортизатор назад, какой можно придумать - тугой двустороннего действия... И будет ход подвески наверх 7 см, и вниз 9см!!! Почти как у Паджерика 4 ! ... И если сделать картридж Кони Хеви Трек спереди, можно будет сделать 47 по передку - будет вполне себе некомфортный внедорожник"
Все абсолютно справедливо!!! И нечему удивляться, и ничего он не курил, как некоторым показалось... :x
Влад работает с господами "джиперами", а у этих "самоделкиных" подвески работают так, как нам не снилось, и он очень хорошо знает то, о чем пишет.
К сведению, хорошие Паджерики закончились на втором, остальные уже строили не инженеры, а продавцы (как это сейчас часто бывает...), четвертый - такая же "шайтан арба" как и наша, если не хуже...
Поэтому я и расстроился, узнав что эти КОНИ - двухсторонние... :( Рухнула еще одна надежда, что-то действительно изменить в этой подвеске в лучшую сторону :(
Просто хотелось бы как обычно: "и рыбку съесть" - на хорошем асфальте; "и косточкой не подавиться" - на плохом... :)
Я люблю её по-своему. И она меня ... по-моему
Изображение
Аватара пользователя
ANVITOS
 
 
Сообщения: 1188
Зарегистрирован: 13 ноя 2011, 16:17
Откуда: Санкт-Петербург
Благодарил (а): 49 раз.
Поблагодарили: 50 раз.
Имя: Андрей
Автомобиль: Sorento XM, 2.4 (174 л/с), 4WD, AT
Год выпуска: 2010
Доп. информация: ПРЕСТИЖ, черный,
IGO от ShineOn,
Пружины от Влада.
Grand Santa Fe, 2018 г. Style, белый, дизель.

Re: Надёжность передних амортизаторов Нового Соренто

Сообщение Bryton » 31 авг 2012, 19:12

ANVITOS писал(а):(входят легко, вылазят туго)


По определению - это чистое масло...
Аватара пользователя
Bryton
 
 
Сообщения: 695
Зарегистрирован: 05 июн 2010, 08:47
Откуда: Тула
Благодарил (а): 49 раз.
Поблагодарили: 22 раз.
Имя: Алексей
Автомобиль: Sorento XM F/L, 2.2TD (197 л/с), 4WD, AT
Год выпуска: 2019
Доп. информация: NEW PRESTIGE WHITE PEARL

Re: Надёжность передних амортизаторов Нового Соренто

Сообщение ANVITOS » 31 авг 2012, 19:46

Bryton писал(а):это чистое масло...

Да. Кони Хеви Трек Рейд - чистое масло, односторонние.
Я люблю её по-своему. И она меня ... по-моему
Изображение
Аватара пользователя
ANVITOS
 
 
Сообщения: 1188
Зарегистрирован: 13 ноя 2011, 16:17
Откуда: Санкт-Петербург
Благодарил (а): 49 раз.
Поблагодарили: 50 раз.
Имя: Андрей
Автомобиль: Sorento XM, 2.4 (174 л/с), 4WD, AT
Год выпуска: 2010
Доп. информация: ПРЕСТИЖ, черный,
IGO от ShineOn,
Пружины от Влада.
Grand Santa Fe, 2018 г. Style, белый, дизель.

Re: Надёжность передних амортизаторов Нового Соренто

Сообщение Bryton » 31 авг 2012, 19:51

ANVITOS

Тогда при подборе пружин надо учитывать, что не будет давления амортизатора "в помощь"...
Т.е. пружина - основной составляющий момент дорожного просвета и комфортной езды, а амортизатор лишь гасит колебания авто как примитивный масляный демпфер....
Аватара пользователя
Bryton
 
 
Сообщения: 695
Зарегистрирован: 05 июн 2010, 08:47
Откуда: Тула
Благодарил (а): 49 раз.
Поблагодарили: 22 раз.
Имя: Алексей
Автомобиль: Sorento XM F/L, 2.2TD (197 л/с), 4WD, AT
Год выпуска: 2019
Доп. информация: NEW PRESTIGE WHITE PEARL

Re: Надёжность передних амортизаторов Нового Соренто

Сообщение ANVITOS » 31 авг 2012, 20:01

Bryton писал(а):пружина - основной составляющий момент дорожного просвета и комфортной езды, а амортизатор лишь гасит колебания авто

У Влада они так и продуманы... :)
Такая же связка стоит например на "Мерине" S500, W140. Ну как она работает... Просто прелесть! И глотает все и идет как по рельсам...
Почему я и говорю о принципиальном изменении работы подвески 8)
Я люблю её по-своему. И она меня ... по-моему
Изображение
Аватара пользователя
ANVITOS
 
 
Сообщения: 1188
Зарегистрирован: 13 ноя 2011, 16:17
Откуда: Санкт-Петербург
Благодарил (а): 49 раз.
Поблагодарили: 50 раз.
Имя: Андрей
Автомобиль: Sorento XM, 2.4 (174 л/с), 4WD, AT
Год выпуска: 2010
Доп. информация: ПРЕСТИЖ, черный,
IGO от ShineOn,
Пружины от Влада.
Grand Santa Fe, 2018 г. Style, белый, дизель.

Re: Надёжность передних амортизаторов Нового Соренто

Сообщение syv » 31 авг 2012, 20:48

ANVITOS писал(а):Да. Кони Хеви Трек Рейд - чистое масло, односторонние.

Может я что то не понимаю аморт 8641-1504, которые я поставил и есть Heavy Track. Цвет оранжевый, шток сам вылезает, когда его задавишь, отсюда думаю, что газовый. Завтра пойду в гараж сфоткаю коробку и выложу и все сомнения развеятся.
Аватара пользователя
syv
 
 
Сообщения: 796
Зарегистрирован: 05 июл 2011, 21:32
Откуда: Ростов на Дону
Благодарил (а): 65 раз.
Поблагодарили: 66 раз.
Имя: Юрий
Автомобиль: Sorento XM, 2.4 (174 л/с), 4WD, MT
Год выпуска: 2011
Доп. информация: Аморт - перед патрон KYB 365076, зад "Kayba"; пружины H&R+25; 255/55/18; распорка, Чип тюн; Шумка .

Пред.След.

Вернуться в Подвеска и ходовая (XM)

Кто сейчас на конференции

Сейчас этот форум просматривают: нет зарегистрированных пользователей и гости: 4