kuzhbal писал(а):давно уже езжу без этого датчика воды и ни чё всё работает
kuzhbal писал(а):Бывает и по 300рэ фильтра ставлю только почаще меняю,через 3-5т.км.
VVS писал(а):Первый тип позволяет уложить в фильтр на 50 % больше фильтровальной бумаги , что сказывается на сроке службы.
diman82 писал(а):Стоит в данный момент но еще не так долго чтобы делать выводы.
diman82 писал(а):А такой никто не пробовал ставить? Bosch 1 457 434 310. Стоит в данный момент но еще не так долго чтобы делать выводы.

Я притащил его к( кладовщику) по деталям и попросил пробить по вину какой же все таки у меня должен стоять фильтр!? Пять минут поисков ничего не дало!Завтра поеду в гараж ,сам все посмотрю ,сам замерею(почему левак подошел а родной нет? 
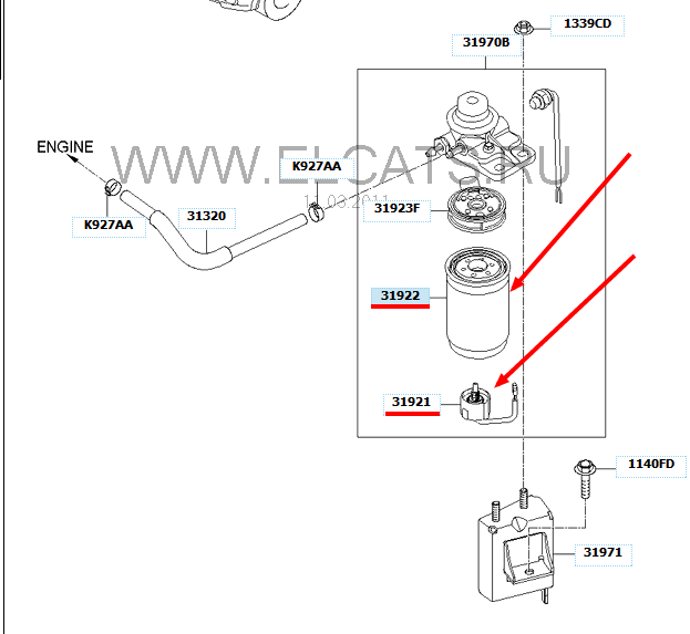
as-bal писал(а):8 мм kia 31922-2B900
Андрей59 писал(а):Это фильтр фирмы MAHLE 101/1 имеет отверстие под датчик воды 10мм, на фильтрах других фирм может быть написано всё, что угодно, но это не означает, что фильтр соответствует всем параметрам по кроссу.

И он мне кажется был немного подлиней родного,хотя точно сказать немогу 
1200р без датчика, сам датчик 540 уже заказалмагрети писал(а):А если не секрет сколько стоит такой фильтр?Мне в Рязани ОД заявил цену около 6т.р. И он мне кажется был немного подлиней родного,хотя точно сказать немогу

"Менделеевых" форума - полезно - он и есть - для stan писал(а):Подскажите пожалуйста
as-bal писал(а):1200р без датчика, сам датчик 540 уже заказал
Denis_Vladivostok писал(а):Это 1740 рублей, с доставкой?

Вернуться в Дизельные двигатели (BL)
Сейчас этот форум просматривают: нет зарегистрированных пользователей и гости: 6