Внимание! Попадание влаги в блок предохранителей в салоне.

Особенности устройства и эксплуатации электрической части автомобилей KIA SORENTO BL (2002..2009)

Внимание! Попадание влаги в блок предохранителей в салоне.

Сообщение Evgeni39 » 01 фев 2019, 23:00

Кому лень читать, смотрите крайнее предложение.

Блок предохранителей находится в ногах водителя.
Вроде на форуме уже была тема о этом блочке и наличии окислов в нем.
Сегодня с утра, сев в машину, обратил внимание на светящийся индикатор кнопки включения обогрева зоны парковки дворников.
Но обогрев я не включал. Нажал несколько раз на кнопку, слышно было, как щёлкает реле, но индикатор не гас. Торопился на работу, поэтому не до него было.

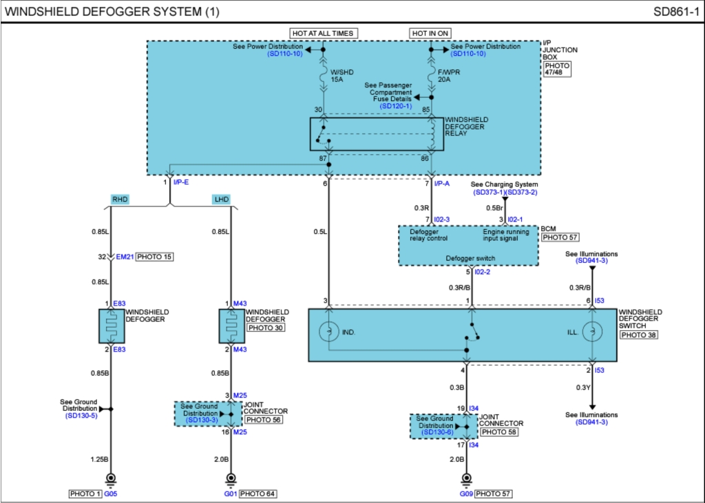
После работы полез в эл. схемы.
Windshield defogger.jpg

Видно, что индикатор получает питание через предохранитель W/SHD 15A (№1 в блоке предохранителей) и контакты реле WINDSHIELD DEFOGGER RELAY. Через эти же контакты получает питание сам нагреватель. Очевидно, что контакты замкнуты по какой-то причине.

Лезем дальше в схему.
Power distribution.jpg

Питание на предохранитель W/SHD 15A приходит через контакт №14 разъема I/P-C блока предохранителей в салоне. На контакт №14 оно приходит через предохранитель BTN 3 40A, который подключен непосредственно к аккумуляторной батарее.

Реле включения обогрева зоны парковки дворников располагается в блоке предохранителей в салоне. Для демонтажа блока необходимо снять накладку порога (держится на защелках) и накладку на переходе порога в стойку (держится на защелках, клипсе и одном саморезе). Сам блок смонтирован на 2 шпильки M6 гайками на 10. Снял блок, извлек предохранители, вскрыл. Внутри блока бутерброд из 2 плат. Также внутри 3 реле: 2 пиздюка tyco v23086-c1001-a403 и 1 большое (не переписывал маркировку). А также некоторое количество коррозии на контактах и проводниках. Залез щупами мультиметра до контактов реле, действительно прозванивались на КЗ. Искупал плату в спирте и потер ей спинку зубной щеткой. Высушил, проверил ещё раз мультиметром- КЗ пропало. Собрал, поставил блок в машину, индикатор не загорелся.
Вывод: из-за "удачного" расположения блок предохранителей подвержен воздействию влаги, что ведет к образованию коррозии и КЗ. КЗ контактов маленького пиздюка приводит к высадке аккумулятора, если подогрев дворников целый ( у меня его нет или он дохлый), т.к. на пиздюке всё время висит потенциал АКБ.
Аватара пользователя
Evgeni39
 
 
Сообщения: 270
Зарегистрирован: 18 мар 2017, 18:29
Откуда: Калининград
Благодарил (а): 12 раз.
Поблагодарили: 55 раз.
Автомобиль: Sorento BL, 2.5TD (170 л/с), TOD, AT
Год выпуска: 2007
Доп. информация: FULL-TIME

Re: Внимание! Попадание влаги в блок предохранителей в салон

Сообщение BlkDem » 02 фев 2019, 08:35

Evgeni39 писал(а):Вроде на форуме уже была тема о этом блочке

:arrow: Тема: Не выключаются габариты - это блок предохранителей в салоне!
Заказать модифицированную трансмиссию можно в партнерской теме - Тема: "SuperTOD-2" от BlkDem
Аватара пользователя
BlkDem
 
Модератор
 
Сообщения: 24225
Зарегистрирован: 16 сен 2009, 12:01
Откуда: TR
Благодарил (а): 1567 раз.
Поблагодарили: 1258 раз.
Имя: Максим
Автомобиль: Sorento BL, 2.5TD (170 л/с), TOD, AT
Год выпуска: 2007
Доп. информация: Был SORENTO 2.5TD 2002 г.
SuperTOD II, Бинар, CB

Re: Внимание! Попадание влаги в блок предохранителей в салон

Сообщение oblomoFF » 04 мар 2019, 22:29

Я подозревал , что в этой коробочке какая-то нечесть обитает. Дождался , она загорелась :evil:
oblomoFF
 
 
Сообщения: 255
Зарегистрирован: 30 янв 2014, 11:08
Откуда: Сыктывкар
Благодарил (а): 3 раз.
Поблагодарили: 14 раз.
Имя: Павел
Автомобиль: Sorento BL, 2.4 (141 л/с), TOD, MT
Год выпуска: 2004
Доп. информация: ЕX , LSD живой , чипанутый , Super TOD от Макса . Система охлаждения от Santa Fe + термовключатель карлсона 86-82 .теперь РИФы по кругу .

Re: Внимание! Попадание влаги в блок предохранителей в салон

Сообщение oblomoFF » 08 авг 2019, 22:58

Не написал ,что было . Следы попадания влаги , коррозия - КЗ . Купил на разборке БУ .
oblomoFF
 
 
Сообщения: 255
Зарегистрирован: 30 янв 2014, 11:08
Откуда: Сыктывкар
Благодарил (а): 3 раз.
Поблагодарили: 14 раз.
Имя: Павел
Автомобиль: Sorento BL, 2.4 (141 л/с), TOD, MT
Год выпуска: 2004
Доп. информация: ЕX , LSD живой , чипанутый , Super TOD от Макса . Система охлаждения от Santa Fe + термовключатель карлсона 86-82 .теперь РИФы по кругу .

Re: Внимание! Попадание влаги в блок предохранителей в салон

Сообщение Фёдор » 21 мар 2022, 08:29

Аналогичная ситуация...Постоянно под напряжением были дворники,люк и подогрев пассажирского сиденья.Вскрытие салонного блока предохранителей показало 2 подгоревшие дорожки и кз между ними.кз устранил,все устаканилось,аккум не высаживает.Вот как влагу,которая по стойке стекает устранить пока не знаю.
Сорик-зверь!!!!...мяхкий и пуфыстый....
Аватара пользователя
Фёдор
 
 
Сообщения: 488
Зарегистрирован: 20 авг 2008, 10:07
Откуда: НьюСибирск
Благодарил (а): 0 раз.
Поблагодарили: 2 раз.
Имя: Дядя Фёдор
Автомобиль: Sorento BL, 2.5TD (14X л/с), TOD, AT
Год выпуска: 2004
Доп. информация: Киа Соренто/2,5л.водки солярковой/чють-чють задратый-2" боди+2"susp/валенки-32"/36кг защит/кран-балка...
TLC 80 VX боевой


Вернуться в Электрика и электроника (BL)

Кто сейчас на конференции

Сейчас этот форум просматривают: нет зарегистрированных пользователей и гости: 8