Как проверить свечи накаливания.

Особенности устройства и эксплуатации дизельных двигателей, устанавливаемых на KIA SORENTO BL (2002..2009)

Re: Как проверить свечи накаливания.

Сообщение KIA57 » 13 фев 2014, 08:39

BlkDem писал(а):Запомнить нужно одно: проверить на 90% точности можно только выкрутив свечу и включив ее от АКБ.


Думаю, что можно проверить ещё одним способом на 90% точности.
Снять плюсовую клемму с аккумулятора, в разрыв цепи вкл. амперметр, вкл. зажигание в режим нагрева свечей и посмотреть ток потребления. Зная значения тока для одной свечи, можно сделать вывод о их работоспособности. А дальше искать уже "убитую".

PS Здесь коллега писал, что после проверки новых свечей аккумулятором, они быстро вышли из строя.
Вложения
tester.jpg
амперметр постоянного тока
Последний раз редактировалось KIA57 13 фев 2014, 09:15, всего редактировалось 1 раз.
KIA57
 
 
Сообщения: 125
Зарегистрирован: 01 фев 2013, 10:47
Откуда: Эстония
Благодарил (а): 63 раз.
Поблагодарили: 9 раз.
Имя: Павел
Автомобиль: Sorento BL, 2.5TD (170 л/с), Part-Time, AT
Год выпуска: 2007

Re: Как проверить свечи накаливания.

Сообщение BlkDem » 13 фев 2014, 08:44

KIA57 писал(а):Снять плюсовую клемму с аккумулятора, в разрыв цепи вкл. амперметр

Ммм... Это какой амперметр мы включим в цепь? 14В/((1*1*1*1)/(1+1+1+1))=56А (14В и 1 Ом взяты просто для наглядности)
Стопудово, у каждого первого в гараже валяется 100А амперметр.
KIA57 писал(а): можно сделать вывод о их работоспособности

Способ, даже если его взять на вооружение, кмк, не тянет даже на 50%. Любой способ без визуального контроля - не дает никаких гарантий.
KIA57 писал(а):после проверки новых свечей аккумулятором, они быстро вышли из строя.

Скорее всего, это просто свечи были изначально некачественные, имхо.
Заказать модифицированную трансмиссию можно в партнерской теме - Тема: "SuperTOD-2" от BlkDem
Аватара пользователя
BlkDem
 
Модератор
 
Сообщения: 24225
Зарегистрирован: 16 сен 2009, 12:01
Откуда: TR
Благодарил (а): 1567 раз.
Поблагодарили: 1258 раз.
Имя: Максим
Автомобиль: Sorento BL, 2.5TD (170 л/с), TOD, AT
Год выпуска: 2007
Доп. информация: Был SORENTO 2.5TD 2002 г.
SuperTOD II, Бинар, CB

Re: Как проверить свечи накаливания.

Сообщение Roman73 » 13 фев 2014, 08:49

Думается, что гибель свечей не связана с проверкой от акума. Или свечи брак, как выше написали или, скорее всего, это последствия криворукой установки (тянули от души, например).
Аватара пользователя
Roman73
 
 
Сообщения: 3145
Зарегистрирован: 23 фев 2011, 15:29
Откуда: РФ, Заречный - РК, Актау
Благодарил (а): 203 раз.
Поблагодарили: 265 раз.
Имя: Роман
Автомобиль: Sorento BL, 2.5TD (170 л/с), TOD, AT
Год выпуска: 2005
Доп. информация: Чистокровный кореец, Limited, чип от kstovchanin, H&R+45. Пробег 382 тыщ.

Re: Как проверить свечи накаливания.

Сообщение Gubkin » 13 фев 2014, 08:58

KIA57 писал(а):после проверки новых свечей аккумулятором, они быстро вышли из строя.

Это тоже самое, что написать о выходе из строя телевизора при проверке его от 220 В
Амперметр редко бывает в хозяйстве с проверкой более 10А.
Так что самое простое - открутить шину свечей и проверить сопротивление. Должно быть от 0,4 до 1,5 Ом в зав-сти от производителя.
Аватара пользователя
Gubkin
 
 
Сообщения: 14241
Зарегистрирован: 25 май 2012, 11:08
Откуда: Самара
Благодарил (а): 1301 раз.
Поблагодарили: 1450 раз.
Имя: Саня
Автомобиль: Sorento BL, 2.5TD (170 л/с), TOD, AT
Год выпуска: 2008

Re: Как проверить свечи накаливания.

Сообщение KIA57 » 13 фев 2014, 09:19

BlkDem писал(а):Это какой амперметр мы включим в цепь?


Можно как на картинке.
Пока возился с вложением вы меня закидали помидорами :D
На машине измерять не пробовал , а приводы постоянного тока регулярно :)

Саня, напомни ток потребления одной свечи.

Добавлено через 4 минуты 37 секунд:
BlkDem писал(а):Скорее всего, это просто свечи были изначально некачественные, имхо.



Он их заменил на аналогичные и они работают до сих пор.
KIA57
 
 
Сообщения: 125
Зарегистрирован: 01 фев 2013, 10:47
Откуда: Эстония
Благодарил (а): 63 раз.
Поблагодарили: 9 раз.
Имя: Павел
Автомобиль: Sorento BL, 2.5TD (170 л/с), Part-Time, AT
Год выпуска: 2007

Re: Как проверить свечи накаливания.

Сообщение BlkDem » 13 фев 2014, 09:26

KIA57 писал(а):Можно как на картинке.

На которой? Увидел.
KIA57 писал(а):ток потребления одной свечи

Смысле, 14/1 поделить не получается? :)
Ессно, это начальный ток, но тем не менее.

Добавлено через 3 минуты 41 секунду:
KIA57 писал(а):Можно как на картинке.

Вообще да, у каждого есть такой прибор :D

Добавлено через 1 минуту 29 секунд:
KIA57 писал(а):Он их заменил на аналогичные

Или ответ в вопросе, или версия Ромы "о непрямолинейности некоторых рук" :D
Заказать модифицированную трансмиссию можно в партнерской теме - Тема: "SuperTOD-2" от BlkDem
Аватара пользователя
BlkDem
 
Модератор
 
Сообщения: 24225
Зарегистрирован: 16 сен 2009, 12:01
Откуда: TR
Благодарил (а): 1567 раз.
Поблагодарили: 1258 раз.
Имя: Максим
Автомобиль: Sorento BL, 2.5TD (170 л/с), TOD, AT
Год выпуска: 2007
Доп. информация: Был SORENTO 2.5TD 2002 г.
SuperTOD II, Бинар, CB

Re: Как проверить свечи накаливания.

Сообщение Gubkin » 13 фев 2014, 09:40

KIA57 писал(а):напомни ток потребления одной свечи

все было тут Тема: Замена свечей накала на дизельном двигателе, Сообщение #880181, Автор: Gubkin

и ещё таблицу делал такую
Изображение
Аватара пользователя
Gubkin
 
 
Сообщения: 14241
Зарегистрирован: 25 май 2012, 11:08
Откуда: Самара
Благодарил (а): 1301 раз.
Поблагодарили: 1450 раз.
Имя: Саня
Автомобиль: Sorento BL, 2.5TD (170 л/с), TOD, AT
Год выпуска: 2008

Re: Как проверить свечи накаливания.

Сообщение KIA57 » 13 фев 2014, 09:45

BlkDem писал(а): это начальный ток


Саня выкладывал таблицу с характеристиками свечей, а на начальный ток прибор не успеет среагировать.(нет функции фиксации max значения)

Наступит весна проведу измерения, машина живет на улице, а там сейчас мерзость.

BlkDem писал(а):Или ответ в вопросе, или версия Ромы "о непрямолинейности некоторых рук"


Руки там "прямые" и свечки из одной лавки.
Вкрученная свеча имеет массу значительно больше и место сварки нагревательного элемента с электродом не перегревается итд итп
KIA57
 
 
Сообщения: 125
Зарегистрирован: 01 фев 2013, 10:47
Откуда: Эстония
Благодарил (а): 63 раз.
Поблагодарили: 9 раз.
Имя: Павел
Автомобиль: Sorento BL, 2.5TD (170 л/с), Part-Time, AT
Год выпуска: 2007

Re: Как проверить свечи накаливания.

Сообщение BlkDem » 13 фев 2014, 10:00

Все, что написано, не отменяет предыдущего тезиса о визуальном контроле. Измерения тока не дадут ничего осмысленного.

Добавлено через 2 минуты 24 секунды:
KIA57 писал(а):Вкрученная свеча имеет массу значительно больше и место сварки нагревательного элемента с электродом не перегревается итд итп

Вывод из пальца, извини.
Заказать модифицированную трансмиссию можно в партнерской теме - Тема: "SuperTOD-2" от BlkDem
Аватара пользователя
BlkDem
 
Модератор
 
Сообщения: 24225
Зарегистрирован: 16 сен 2009, 12:01
Откуда: TR
Благодарил (а): 1567 раз.
Поблагодарили: 1258 раз.
Имя: Максим
Автомобиль: Sorento BL, 2.5TD (170 л/с), TOD, AT
Год выпуска: 2007
Доп. информация: Был SORENTO 2.5TD 2002 г.
SuperTOD II, Бинар, CB

Re: Как проверить свечи накаливания.

Сообщение KIA57 » 13 фев 2014, 10:10

BlkDem писал(а):
Re: Как проверить свечи накаливания.

Непрочитанное сообщение BlkDem » 1 минуту назад
Все, что написано, не отменяет предыдущего тезиса о визуальном контроле. Измерения тока не дадут ничего осмысленного.


Так и хочется добавить :) Но каждый метод имеет право на жизнь.
А амперметры с шунтами в автобазах должны быть. Подобрать шунт проще, чем выкручивать свечи. ИМХО

Добавлено через 3 минуты 7 секунд:
BlkDem писал(а):Вывод из пальца, извини.


А вот хамить не надо - лучше физику начальных классов перечитать.
Удачи!
KIA57
 
 
Сообщения: 125
Зарегистрирован: 01 фев 2013, 10:47
Откуда: Эстония
Благодарил (а): 63 раз.
Поблагодарили: 9 раз.
Имя: Павел
Автомобиль: Sorento BL, 2.5TD (170 л/с), Part-Time, AT
Год выпуска: 2007

Re: Как проверить свечи накаливания.

Сообщение BlkDem » 13 фев 2014, 10:14

KIA57 писал(а):Но каждый метод имеет право на жизнь.

Этот метод не намного дальше ушел от измерения сопротивления каждой свечи. Но измерение каждой свечи даст 100% результат хотя бы для тех, что в обрыве. Метод замера токового коня в вакууме такого не даст.

Добавлено через 3 минуты 42 секунды:
KIA57 писал(а):А вот хамить не надо

Слово "извини" не читается в моем сообщении? Повторюсь: ИЗВИНИ.
KIA57 писал(а): лучше физику начальных классов перечитать.

Верно. А то от Кирхгофа, наверное, голова набекрень.

Добавлено через 9 минут 44 секунды:
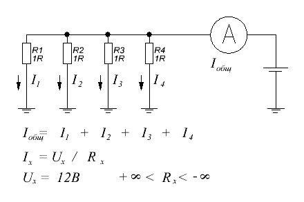
Вернемся к конструктивному обсуждению. Докажем или не докажем смысл замера общего тока.
Какой ток (диапазон) будем считать правильным для рабочих свечей? И почему.

Добавлено через 17 минут 27 секунд:
Вот электрический эквивалент схемы. Предлагаю по нему определить условный диапазон тока Iобщ при исправных свечах.
Вложения
Свечи_накала.JPG
Заказать модифицированную трансмиссию можно в партнерской теме - Тема: "SuperTOD-2" от BlkDem
Аватара пользователя
BlkDem
 
Модератор
 
Сообщения: 24225
Зарегистрирован: 16 сен 2009, 12:01
Откуда: TR
Благодарил (а): 1567 раз.
Поблагодарили: 1258 раз.
Имя: Максим
Автомобиль: Sorento BL, 2.5TD (170 л/с), TOD, AT
Год выпуска: 2007
Доп. информация: Был SORENTO 2.5TD 2002 г.
SuperTOD II, Бинар, CB

Re: Как проверить свечи накаливания.

Сообщение Ramb » 13 фев 2014, 10:50

метод измерения тока самый простой и вполне информативен... главное знать номинальное значение... по нему можно выяснить количество рабочих свечей... собственно так и подразумевается проверять свечи в ОД
Изображение
Аватара пользователя
Ramb
 
 
Сообщения: 5332
Зарегистрирован: 23 сен 2012, 11:19
Откуда: Мытищи
Благодарил (а): 99 раз.
Поблагодарили: 438 раз.
Имя: Роман
Автомобиль: Sorento XM, 2.2TD (197 л/с), 4WD, AT, 7 мест
Год выпуска: 2011
Доп. информация: пружины H&R, аморты передние MONROE G8406(7), аморты задние KYB 341716 , заглушен EGR, вырезан сажевик и катализатор, чипован

Re: Как проверить свечи накаливания.

Сообщение BlkDem » 13 фев 2014, 10:55

Ramb писал(а): главное знать номинальное значение

Схема выше. Посчитать "номинальное" значение просто.

Добавлено через 1 минуту 42 секунды:
А потом сильно удивляться, почему не запускается мотор при "правильном номинальном" значении тока свечей накала.
Заказать модифицированную трансмиссию можно в партнерской теме - Тема: "SuperTOD-2" от BlkDem
Аватара пользователя
BlkDem
 
Модератор
 
Сообщения: 24225
Зарегистрирован: 16 сен 2009, 12:01
Откуда: TR
Благодарил (а): 1567 раз.
Поблагодарили: 1258 раз.
Имя: Максим
Автомобиль: Sorento BL, 2.5TD (170 л/с), TOD, AT
Год выпуска: 2007
Доп. информация: Был SORENTO 2.5TD 2002 г.
SuperTOD II, Бинар, CB

Re: Как проверить свечи накаливания.

Сообщение Ramb » 13 фев 2014, 10:58

BlkDem писал(а):А потом сильно удивляться, почему не запускается мотор при правильном номинальном значении тока свечей накала.


у тебя такое было?... я не встречал такого...
Изображение
Аватара пользователя
Ramb
 
 
Сообщения: 5332
Зарегистрирован: 23 сен 2012, 11:19
Откуда: Мытищи
Благодарил (а): 99 раз.
Поблагодарили: 438 раз.
Имя: Роман
Автомобиль: Sorento XM, 2.2TD (197 л/с), 4WD, AT, 7 мест
Год выпуска: 2011
Доп. информация: пружины H&R, аморты передние MONROE G8406(7), аморты задние KYB 341716 , заглушен EGR, вырезан сажевик и катализатор, чипован

Re: Как проверить свечи накаливания.

Сообщение BlkDem » 13 фев 2014, 11:01

Мне зачем это "такое было"? Я прекрасно понимаю процессы, протекающие в цепи свечей накала. Вот поэтому я прямо и спрашиваю, что будет, если R1<>R2<>R3<>R4, но общий номинальный ток верный?

Добавлено через :
Можно сравнить в динамике каждую свечу, подключая по отдельности, не выкручивая. Это даст некий электрический смысл испытаниям, но это не достаточное условие исправности свечи.
Единственное и верное: накал. Что толку с электрически исправной свечи, если она калится у основания?
Поэтому, сначала омметром, потом выкручивать и сразу менять. Ибо, есть мнение, что по одной штуке свечи менять не имеет смысла. Да и цены на них совсем не смертельные.
Заказать модифицированную трансмиссию можно в партнерской теме - Тема: "SuperTOD-2" от BlkDem
Аватара пользователя
BlkDem
 
Модератор
 
Сообщения: 24225
Зарегистрирован: 16 сен 2009, 12:01
Откуда: TR
Благодарил (а): 1567 раз.
Поблагодарили: 1258 раз.
Имя: Максим
Автомобиль: Sorento BL, 2.5TD (170 л/с), TOD, AT
Год выпуска: 2007
Доп. информация: Был SORENTO 2.5TD 2002 г.
SuperTOD II, Бинар, CB

Пред.След.

Вернуться в Дизельные двигатели (BL)

Кто сейчас на конференции

Сейчас этот форум просматривают: нет зарегистрированных пользователей и гости: 2

cron