Сабж.
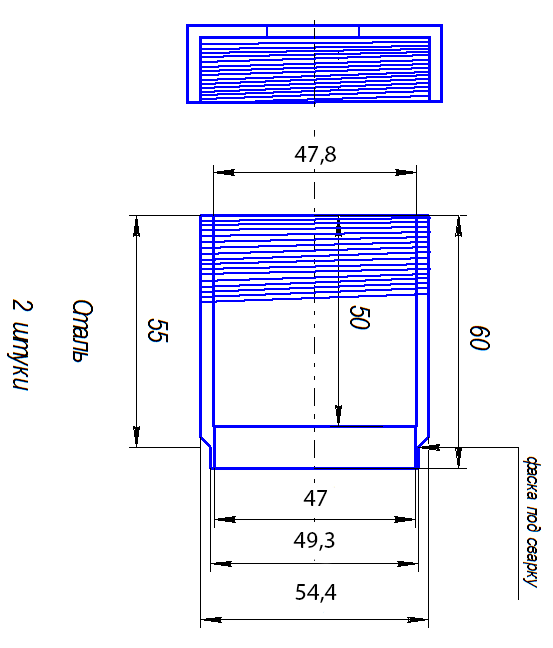
Нужно выточить несколько втулок. Может есть проверенные адреса?


Que писал(а):выточить несколько втулок
)






Que писал(а):Сабж.
Нужно выточить несколько втулок. Может есть проверенные адреса?



Вернуться в Клуб (Санкт-Петербург)
Сейчас этот форум просматривают: нет зарегистрированных пользователей и гости: 4