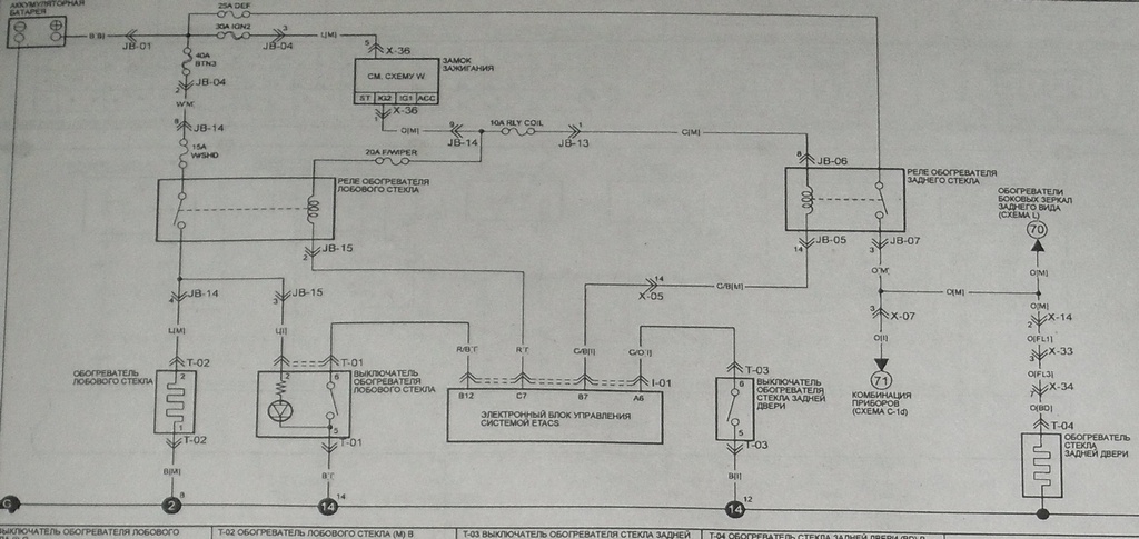
Если всё проверил; - на кнопку + и - доходят, при включении кнопки, цепь питания обмоткой реле коммутируется, реле в свою очередь, коммутирует цепь питания нагревательным элементом, если ДА, то остаётся проверить наличие напряжения на разъёме самого нагревательного элемента, если и там тоже ДА, то тогда остаётся последнее - проверка целостности и работоспособности самого нагревательного элемента.draiver писал(а):облазил все,включая кнопку
Модуль АБС может отключаться, по причине снижения ёмкости заряда батареи.Евгений44 писал(а):ну и есть подозрения..что перестаэт работать АВС по этой же причине(либо по другой..то срабатывает..то юзом и при этом педаль мягкая становиться)
http://www.slovopedia.com/2/202/233661.htmldraiver писал(а):я и слов таких не знал
draiver писал(а):что-то подсказывает
Такой подход в электротехники совсем не катит, надо делать хоть мало-мальские измеренияdraiver писал(а):и как-то сомнительно


Lugavik писал(а): при включении кнопки, цепь питания обмоткой реле коммутируется
Евгений44 писал(а):по истечении минут 10-15 перестаёт работать обогреватель заднего стекла и зеркал
draiver писал(а):всем доброго дня.очень прошу помощи.машина дизель,2005 год.не работает обогрев зеркал и заднего стекла.облазил все,включая кнопку.на панели при включении зажигания индикатор тоже не загорается,хотя я даже не знаю должен ли.реле и предохранители в порядке.а скоро зимушка...без обогрева ой как не хорошо...
Вернуться в Электрика и электроника (BL)
Сейчас этот форум просматривают: нет зарегистрированных пользователей и гости: 2