ПТФ без ближнего света.

Всё, что штатно светится в KIA SORENTO BL (2002..2009) внутри и снаружи.
Примечание: любое дополнительное освещение, изменения освещения (в том числе ксенон) обсуждаются в разделе "Тюнинг"!

Re: ПТФ без ближнего света.

Сообщение Selevan » 11 ноя 2013, 19:15

Filin - Max писал(а): У меня дорестайл - Американец, как на .

Отсюда ПРАВИЛО!!! Изначально не вводи людей в заблуждение а в ЗАГАЛОВКЕ пиши. ПТФ без ближнего в АМЕРИКОСЕ!!!! А то вон sotesu лампочки в фарах меняют не снимая!!!! Не читая что у тебя ДО РЕЙСТАЛ....
А по теме по мне так схема без габаритов - СУПЕР! соединил проводком два контакта, и ПТФ без габаритов работает...Возможно у Америкосов по другому А ТЫ ПРОБЫВАЛ??? Тема: Противотуманки как дневные ходовые огни
Аватара пользователя
Selevan
 
 
Сообщения: 4206
Зарегистрирован: 17 мар 2009, 19:45
Откуда: Курск!!!
Благодарил (а): 42 раз.
Поблагодарили: 318 раз.
Имя: Виталий
Автомобиль: Sorento BL, 2.5TD (170 л/с), TOD, AT
Год выпуска: 2006

Re: ПТФ без ближнего света.

Сообщение Filin - Max » 11 ноя 2013, 19:24

Поправил первый пост.
Постоянно что-то улучшаю в машине.... Моя страничка на ДРАЙВ2:
http://www.drive2.ru/cars/kia/sorento/s ... filin-max/
Filin - Max
 
 
Сообщения: 88
Зарегистрирован: 24 июл 2013, 16:59
Откуда: Москва, Зеленоград
Благодарил (а): 0 раз.
Поблагодарили: 0 раз.
Автомобиль: Sorento BL, 3.5 (197 л/с), Part-Time, AT
Год выпуска: 2003
Доп. информация: MegaJet MJ-850 + Sirio Performer 5000 + много чего интересного.

Re: ПТФ без ближнего света.

Сообщение netoka » 12 ноя 2013, 07:52

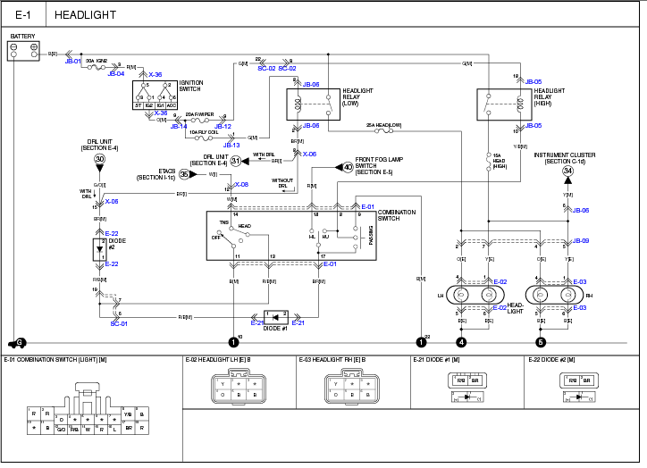
Посмотрел по схемам: у тебя выключатель ПТФ замыкается на массу через замкнутый контакт БС подрулевого переключателя, а в европейце масса подаётся сразу на выключатель ПТФ. Перевожу --- контакты 15 и 16 соединены между собой, надо разорвать и подать массу на 15. Могу схемы бросить на мыло.
Изображение
Аватара пользователя
netoka
 
 
Сообщения: 2852
Зарегистрирован: 17 сен 2010, 13:34
Откуда: г. Орёл
Благодарил (а): 388 раз.
Поблагодарили: 448 раз.
Имя: Константин
Автомобиль: Sorento XM, 2.2TD (197 л/с), 4WD, AT, 7 мест
Год выпуска: 2011
Доп. информация: коричневый Premium
был Sorento BL 3,5 EX TOD 2005 серебристый
был белый Cee'd JD 2013

Re: ПТФ без ближнего света.

Сообщение Alone » 13 ноя 2013, 15:53

Лучше сюда забрось схемы. Потому как он не одинок, у меня аналогичная проблема.....
Alone
 
 
Сообщения: 26
Зарегистрирован: 13 июл 2012, 16:05
Откуда: Смоленск
Благодарил (а): 0 раз.
Поблагодарили: 0 раз.
Имя: Игорь
Автомобиль: Sorento BL, 3.5 (197 л/с), TOD, AT
Год выпуска: 2003

Re: ПТФ без ближнего света.

Сообщение sergii10 » 13 ноя 2013, 16:19

selevan писал(а):соединил проводком два контакта, и ПТФ без габаритов работает

А отключить ПТФ можно только отключив зажигание, или так-же левым подрулевым переключателем?
sergii10
 
 
Сообщения: 131
Зарегистрирован: 22 окт 2008, 06:56
Откуда: moscau
Благодарил (а): 1 раз.
Поблагодарили: 1 раз.
Имя: Сергей
Автомобиль: Sorento BL, 3.3 (247 л/с) TOD, AT
Год выпуска: 2008

Re: ПТФ без ближнего света.

Сообщение netoka » 14 ноя 2013, 12:03

Оригиналы в SVG, поэтому видно не так чётко.
Вложения
head_eur.png
головной свет европеец
head_usa.png
головной свет америкос
fog_eur.png
ПТФ европеец
fog_usa.png
ПТФ америкос
Изображение
Аватара пользователя
netoka
 
 
Сообщения: 2852
Зарегистрирован: 17 сен 2010, 13:34
Откуда: г. Орёл
Благодарил (а): 388 раз.
Поблагодарили: 448 раз.
Имя: Константин
Автомобиль: Sorento XM, 2.2TD (197 л/с), 4WD, AT, 7 мест
Год выпуска: 2011
Доп. информация: коричневый Premium
был Sorento BL 3,5 EX TOD 2005 серебристый
был белый Cee'd JD 2013

Re: ПТФ без ближнего света.

Сообщение Filin - Max » 15 ноя 2013, 06:50

Спасибо дружищще, за полноценный ответ. Буду пробовать на работе. Схему на мыло можно? Filin-max собака list.ru
Заранее благодарен.
Постоянно что-то улучшаю в машине.... Моя страничка на ДРАЙВ2:
http://www.drive2.ru/cars/kia/sorento/s ... filin-max/
Filin - Max
 
 
Сообщения: 88
Зарегистрирован: 24 июл 2013, 16:59
Откуда: Москва, Зеленоград
Благодарил (а): 0 раз.
Поблагодарили: 0 раз.
Автомобиль: Sorento BL, 3.5 (197 л/с), Part-Time, AT
Год выпуска: 2003
Доп. информация: MegaJet MJ-850 + Sirio Performer 5000 + много чего интересного.

Re: ПТФ без ближнего света.

Сообщение netoka » 15 ноя 2013, 07:21

отправил
Изображение
Аватара пользователя
netoka
 
 
Сообщения: 2852
Зарегистрирован: 17 сен 2010, 13:34
Откуда: г. Орёл
Благодарил (а): 388 раз.
Поблагодарили: 448 раз.
Имя: Константин
Автомобиль: Sorento XM, 2.2TD (197 л/с), 4WD, AT, 7 мест
Год выпуска: 2011
Доп. информация: коричневый Premium
был Sorento BL 3,5 EX TOD 2005 серебристый
был белый Cee'd JD 2013

Re: ПТФ без ближнего света.

Сообщение sanek060585 » 25 ноя 2013, 16:22

а можно поподробней я ничего не понял .где эта фишка находиться, от подрулевого переключателя?
sanek060585
 
 
Сообщения: 8
Зарегистрирован: 06 авг 2013, 23:07
Откуда: москва
Благодарил (а): 0 раз.
Поблагодарили: 0 раз.
Имя: Александр
Автомобиль: Sorento BL, 3.5 (197 л/с), Part-Time, AT
Год выпуска: 2003

Re: ПТФ без ближнего света.

Сообщение netoka » 25 ноя 2013, 20:01

Подробнее:
Изображение Изображение Изображение
Изображение
Аватара пользователя
netoka
 
 
Сообщения: 2852
Зарегистрирован: 17 сен 2010, 13:34
Откуда: г. Орёл
Благодарил (а): 388 раз.
Поблагодарили: 448 раз.
Имя: Константин
Автомобиль: Sorento XM, 2.2TD (197 л/с), 4WD, AT, 7 мест
Год выпуска: 2011
Доп. информация: коричневый Premium
был Sorento BL 3,5 EX TOD 2005 серебристый
был белый Cee'd JD 2013

Re: ПТФ без ближнего света.

Сообщение Filin - Max » 27 ноя 2013, 17:32

Я сделал туманки к габаритам. На 3 фотке в посте выше, соединил крайний правый ( черный с белым, масса) со вторым слева( чёрный с белой полосой). Всё работает.
Постоянно что-то улучшаю в машине.... Моя страничка на ДРАЙВ2:
http://www.drive2.ru/cars/kia/sorento/s ... filin-max/
Filin - Max
 
 
Сообщения: 88
Зарегистрирован: 24 июл 2013, 16:59
Откуда: Москва, Зеленоград
Благодарил (а): 0 раз.
Поблагодарили: 0 раз.
Автомобиль: Sorento BL, 3.5 (197 л/с), Part-Time, AT
Год выпуска: 2003
Доп. информация: MegaJet MJ-850 + Sirio Performer 5000 + много чего интересного.

Re: ПТФ без ближнего света.

Сообщение sanek060585 » 28 ноя 2013, 18:52

Спасибо на выходных попробую

Добавлено через 3 дня 3 часа 41 минуту 50 секунд:
Все ок огромное спасибо

Добавлено через 46 секунд:
Все ок огромное спасибо
sanek060585
 
 
Сообщения: 8
Зарегистрирован: 06 авг 2013, 23:07
Откуда: москва
Благодарил (а): 0 раз.
Поблагодарили: 0 раз.
Имя: Александр
Автомобиль: Sorento BL, 3.5 (197 л/с), Part-Time, AT
Год выпуска: 2003

Re: ПТФ без ближнего света.

Сообщение VelkinGunter » 26 фев 2019, 09:07

netoka

Приветствую! Не продублируете на почту схемки ? Хочу сделать себе дхо из туманок, а в электрике не силен. Заранее благодарю ) Velkin2la пёсик gmail.com
VelkinGunter
 
 
Сообщения: 2
Зарегистрирован: 24 фев 2019, 15:26
Откуда: Тула
Благодарил (а): 1 раз.
Поблагодарили: 0 раз.
Имя: Николай
Автомобиль: Sorento BL, 3.5 (197 л/с), Part-Time, AT
Год выпуска: 2003

Пред.

Вернуться в Осветительные приборы (BL)

Кто сейчас на конференции

Сейчас этот форум просматривают: нет зарегистрированных пользователей и гости: 4