Барабашка в машине

Особенности устройства и эксплуатации электрической части автомобилей KIA SORENTO BL (2002..2009)

Барабашка в машине

Сообщение КСИ » 22 окт 2012, 13:56

позавчера появился какой-то шайтан..
Само открывается заднее стекло :shock:
А дело было так:
машина стоит на сигналке, вдруг начинает орать. Подхожу - заднее стекло открыто..
Закрыл, поставил на сигналку. Через пол часа тоже самое.
Похлопал стеклом, понажимал кнопку.
После этого машина отстояла ночь без фокусов. А утром снова сигналка орет и снова окно открыто :(
Ещё и кумулятор посадило - еле хватило завести.
Вопщем вынул блок с кнопками - вроде всё чисто стерильно. Сам он похоже не разборный (?)
Добрался к замку - тоже всё чисто..
Пришлось сдернуть штекер с привода замка, пока думу думаю.
Может кто такое уже проходил?
Аватара пользователя
КСИ
 
 
Сообщения: 1149
Зарегистрирован: 09 авг 2010, 13:16
Откуда: Череповец
Благодарил (а): 16 раз.
Поблагодарили: 53 раз.
Имя: Серёга
Автомобиль: Sorento BL, 2.4 (141 л/с), TOD, MT
Год выпуска: 2006
Доп. информация: Чистокровный кореец

Re: Барабашка в машине

Сообщение Laska » 22 окт 2012, 14:02

Может из багажника кто-то вылезти пытается? :)
Аватара пользователя
Laska
 
Партнёр Клуба
 
Сообщения: 1001
Зарегистрирован: 17 дек 2009, 01:06
Откуда: Москва
Благодарил (а): 7 раз.
Поблагодарили: 7 раз.
Имя: Денис
Автомобиль: Sorento BL, 2.5TD (170 л/с), TOD, AT
Год выпуска: 2007
Доп. информация: Porsche Cayenne 958

Re: Барабашка в машине

Сообщение N4off » 22 окт 2012, 14:11

Было похожее. Сначала грешил, что кнопка брелка в кармане нажималась. Потом получалось, что при захлопывании пятой двери стекло само открывалось, причем через некоторое время - секунд 10 -20. Сейчас вроде прошло. Думаю замок не плотно захлопывается.
Изображение
Аватара пользователя
N4off
 
 
Сообщения: 447
Зарегистрирован: 27 янв 2010, 20:56
Откуда: Химки
Благодарил (а): 25 раз.
Поблагодарили: 18 раз.
Имя: Андрей
Автомобиль: Sorento BL, 3.3 (247 л/с) TOD, AT
Год выпуска: 2008

Re: Барабашка в машине

Сообщение Жека Балашиха » 22 окт 2012, 14:17

посмотри чистоту
было пару раз подряд....мелкие семена деревьев и пыль набились.....протёр-пропало
Изображение
..........от оно, как бывает
Аватара пользователя
Жека Балашиха
 
 
Сообщения: 10858
Зарегистрирован: 03 мар 2011, 14:44
Откуда: г. Юбилейный Московская обл.
Благодарил (а): 881 раз.
Поблагодарили: 553 раз.
Имя: Евгений
Автомобиль: Mohave HM, 3.0TD (250 л/с), TOD, AT
Год выпуска: 2011
Доп. информация: Была....Чёрная классическая Соренто-Каракатица, на барнаульских пружинах, с СиБи, побывавшая в ЧИПиКо, ........... уходящая в точку

Re: Барабашка в машине

Сообщение КСИ » 22 окт 2012, 14:30

N4off писал(а):Было похожее. Сначала грешил, что кнопка брелка в кармане нажималась. Потом получалось, что при захлопывании пятой двери стекло само открывалось, причем через некоторое время - секунд 10 -20. Сейчас вроде прошло. Думаю замок не плотно захлопывается.

Мне чёта думаеццо что в кнопке дело ибо когда я её "разрабатывал" она то сработает то нет.. Уж мало вероятно что провода где-то по дороге замкнулись..
В замке вроде всё чисто.. смазочка присутствует..
Аватара пользователя
КСИ
 
 
Сообщения: 1149
Зарегистрирован: 09 авг 2010, 13:16
Откуда: Череповец
Благодарил (а): 16 раз.
Поблагодарили: 53 раз.
Имя: Серёга
Автомобиль: Sorento BL, 2.4 (141 л/с), TOD, MT
Год выпуска: 2006
Доп. информация: Чистокровный кореец

Re: Барабашка в машине

Сообщение Lugavik » 22 окт 2012, 14:36

По пятой двери, это обычно наличие конденсата по минусовой линии связи с плохим состоянием изоляции провода.
Lugavik
 
 
Сообщения: 3979
Зарегистрирован: 06 ноя 2009, 11:16
Откуда: Северодонецк
Благодарил (а): 140 раз.
Поблагодарили: 189 раз.
Имя: Виктор
Автомобиль: Другая машина
Год выпуска: 2015
Доп. информация: SUZUKI

Re: Барабашка в машине

Сообщение КСИ » 22 окт 2012, 14:44

Lugavik писал(а):По пятой двери, это обычно наличие конденсата по минусовой линии связи с плохим состоянием изоляции провода.

чесно гря не совсем понял что такое минусовая линия, но внешне там сухо и изоляция девственная..
и ещё - даже если на минусе не будет изоляции, то как замок-то сработает? Плюса-то нет..
Аватара пользователя
КСИ
 
 
Сообщения: 1149
Зарегистрирован: 09 авг 2010, 13:16
Откуда: Череповец
Благодарил (а): 16 раз.
Поблагодарили: 53 раз.
Имя: Серёга
Автомобиль: Sorento BL, 2.4 (141 л/с), TOD, MT
Год выпуска: 2006
Доп. информация: Чистокровный кореец

Re: Барабашка в машине

Сообщение Lugavik » 22 окт 2012, 14:52

Плюс на исполнительных устройствах присутствует всегда, а управление на срабатывание идёт минусом. С той же серии, по самопроизвольному срабатыванию дворника пятой двери.
Lugavik
 
 
Сообщения: 3979
Зарегистрирован: 06 ноя 2009, 11:16
Откуда: Северодонецк
Благодарил (а): 140 раз.
Поблагодарили: 189 раз.
Имя: Виктор
Автомобиль: Другая машина
Год выпуска: 2015
Доп. информация: SUZUKI

Re: Барабашка в машине

Сообщение КСИ » 22 окт 2012, 15:22

Lugavik писал(а):Плюс на исполнительных устройствах присутствует всегда, а управление на срабатывание идёт минусом. С той же серии, по самопроизвольному срабатыванию дворника пятой двери.

:shock:
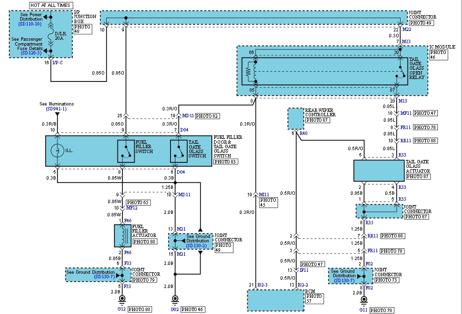
Тогда понятно.. Что-то на схемах не могу найти ни кнопки ни привода.. На картинке нашел - R33 называеццо привод.. а вот на схемах..
Аватара пользователя
КСИ
 
 
Сообщения: 1149
Зарегистрирован: 09 авг 2010, 13:16
Откуда: Череповец
Благодарил (а): 16 раз.
Поблагодарили: 53 раз.
Имя: Серёга
Автомобиль: Sorento BL, 2.4 (141 л/с), TOD, MT
Год выпуска: 2006
Доп. информация: Чистокровный кореец

Re: Барабашка в машине

Сообщение vasco » 22 окт 2012, 15:35

КСИ
проверь проводку в гофре от кузова на дверь багажника! наверняка провода там сломались!
Аватара пользователя
vasco
 
Партнёр Клуба
 
Сообщения: 4336
Зарегистрирован: 10 авг 2008, 21:17
Откуда: Москва-Подмосковье
Благодарил (а): 67 раз.
Поблагодарили: 259 раз.
Имя: Василий
Автомобиль: Нет (хочу купить)
Год выпуска: 2021

Re: Барабашка в машине

Сообщение КСИ » 23 окт 2012, 07:13

Итак первые краткие выводы.
Вариант с плохозахлопнутым замком отпадает т.к. последние три дня с откинутым разъёмом показали что сам замок не открывается.
Значит как-то приходит сигнал на открытие.
Если верить Lugavik_у и на замке действительно постоянно висит "+", то нуно где-то искть рваный "-", который замыкает на корпус.. Правильно мыслю?
Скорее всего да - в гофре..

Добавлено через 23 минуты 31 секунду:
Вторые выводы:
Нашел таки схему.
Если ей верить, то никакова "+" на замке есстестна нет (как я вопщем-то и думал), Видимо я как-то неправильно понял Lugavik_а..
На замке висит постоянный минус и ждет "+" от управляющего реле. Значит проблема не в проводах к задней двери а в проводах к реле!
Скорее всего в гофре в водительской двери - так получается? (где идет провод от кнопки к реле)
Аватара пользователя
КСИ
 
 
Сообщения: 1149
Зарегистрирован: 09 авг 2010, 13:16
Откуда: Череповец
Благодарил (а): 16 раз.
Поблагодарили: 53 раз.
Имя: Серёга
Автомобиль: Sorento BL, 2.4 (141 л/с), TOD, MT
Год выпуска: 2006
Доп. информация: Чистокровный кореец

Re: Барабашка в машине

Сообщение netoka » 23 окт 2012, 08:07

А теперь подключить разъём к замку, а отключить от кнопки --- выяснишь реле или кнопка.
Изображение
Аватара пользователя
netoka
 
 
Сообщения: 2852
Зарегистрирован: 17 сен 2010, 13:34
Откуда: г. Орёл
Благодарил (а): 388 раз.
Поблагодарили: 448 раз.
Имя: Константин
Автомобиль: Sorento XM, 2.2TD (197 л/с), 4WD, AT, 7 мест
Год выпуска: 2011
Доп. информация: коричневый Premium
был Sorento BL 3,5 EX TOD 2005 серебристый
был белый Cee'd JD 2013

Re: Барабашка в машине

Сообщение КСИ » 23 окт 2012, 08:15

netoka писал(а):А теперь подключить разъём к замку, а отключить от кнопки --- выяснишь реле или кнопка.

Вариант! Спасибо! Только это нужно в выходные.. не хотелось бы чтоб окно открылось пока я на работе)
А вапще я очень редко пользовался этим окном - не должны бы ни реле ни кнопка износиццо.. Причем если бы реле запало, то оно бы и запало.. А тут именно что отработает и тишина..

Добавлено через 6 минут 27 секунд:
Где бы ещё найти это реле..
Аватара пользователя
КСИ
 
 
Сообщения: 1149
Зарегистрирован: 09 авг 2010, 13:16
Откуда: Череповец
Благодарил (а): 16 раз.
Поблагодарили: 53 раз.
Имя: Серёга
Автомобиль: Sorento BL, 2.4 (141 л/с), TOD, MT
Год выпуска: 2006
Доп. информация: Чистокровный кореец

Re: Барабашка в машине

Сообщение netoka » 23 окт 2012, 08:41

на схеме реле обозначено ICM.

Добавлено через 7 минут 34 секунды:
А ещё возможно, что сигнал с сигнализации нештатной заведён на это реле :)
Вложения
icm_sxema.JPG
ICM.JPG
Изображение
Аватара пользователя
netoka
 
 
Сообщения: 2852
Зарегистрирован: 17 сен 2010, 13:34
Откуда: г. Орёл
Благодарил (а): 388 раз.
Поблагодарили: 448 раз.
Имя: Константин
Автомобиль: Sorento XM, 2.2TD (197 л/с), 4WD, AT, 7 мест
Год выпуска: 2011
Доп. информация: коричневый Premium
был Sorento BL 3,5 EX TOD 2005 серебристый
был белый Cee'd JD 2013

Re: Барабашка в машине

Сообщение КСИ » 23 окт 2012, 09:35

На схеме я реле нашел.. Не пойму - где оно географически находится)

Добавлено через 9 минут 34 секунды:
Кстати у меня немного другая схема.. У вас на которого сорика? Принцип-то один, а вот нумерация ножек разная((
Вложения
Буфер обмена01.jpg
Аватара пользователя
КСИ
 
 
Сообщения: 1149
Зарегистрирован: 09 авг 2010, 13:16
Откуда: Череповец
Благодарил (а): 16 раз.
Поблагодарили: 53 раз.
Имя: Серёга
Автомобиль: Sorento BL, 2.4 (141 л/с), TOD, MT
Год выпуска: 2006
Доп. информация: Чистокровный кореец

След.

Вернуться в Электрика и электроника (BL)

Кто сейчас на конференции

Сейчас этот форум просматривают: нет зарегистрированных пользователей и гости: 2