Ручное управление TOD (2HI-AUTO-4HI)
на автомобилях Соренто дорестайлинговых и рестайлинговых.
Вопрос: «Это возможно?». Ответ: «Да».
1.Предупреждение!!! Тот, кто не ездил на авто с режимом Part-Time, должен сначала ознакомиться с особенностями езды в этих режимах, чтобы не повредить трансмиссию.
2. Начнём с самого простого варианта: дорестайл, ручная коробка передач МТ.
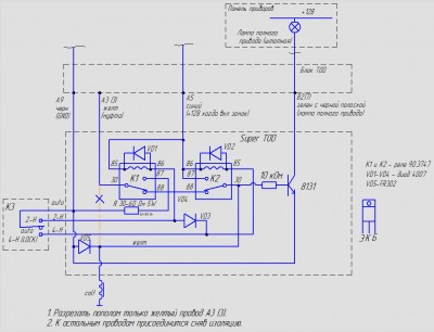
( Нет разницы, какая КПП. Пиктограммы мигают при неверном подключении и/или при отсутствии резистора-обманки. - прим. BlkDem)
2.1 Только режим 2Н – привод на задние колёса.
2.1.1 Самое простое – вынуть предохранитель N 13 или 14 - зависит от нескольких причин, но важно, что называется этот предохранитель "TCCS" - в салоне слева от левой коленки водителя, который находится за крышечкой. У меня лично (2.4 МТ 2005 г.в.) в этом режиме всё работало и ничего не мигало.
2.1.2 Я (автор сообщения) себе сделал режим 2HI-AUTO-4LOW простым способом. Сделал в разрыв предохранителя TCCS под ногами водителя тумблер с навесным предохранителем на 20А. Вывел его в левый откидной кармашек у ног. Полгода езжу без проблем. Сухо-отключаю TOD, гоняю на заднем, сыро-скользко - включаю TOD.
2.1.3 Более сложный способ – отключить электромагнитную муфту от модуля управления TOD. Для этого надо разрезать жёлтый провод №3, идущий от левого разъёма блока управления к муфте. В разрез запаиваем выключатель на 8-10 А, или реле, для управления которым используем дополнительный выключатель.
2.2 Только режим 4Н – привод на все колёса. Будем его так называть.
(Всё-таки вернее назвать этот режим не 4Н, а ЛОК. Потому что пользоваться этим режимом можно и на понижайке. (cnh/51)
2.2.1 Для его реализации также разрезаем провод №3 и используем переключатель на 2 положения.
Центральный контакт этого переключателя цепляем к перерезанному проводу, идущему на катушку муфты,
и оставшиеся контакты: один на провод №3 TOD, второй на +12.
Силовое питание лучше брать с контактов 2 и 7 того же разъема, там +12 BAT через предохранитель, или с прикуривателя.
2.3 Режим 2Н-4Н.
2.3.1 Аналогично пункту 2.2.1, только переключатель нужен 3-х позиционный, чтобы в нейтральном положении средний контакт не соединялся ни с одним из крайних. Это будет соответствовать 2Н.
3.Следующая конфигурация: дорестайл, автоматическая коробка передач АТ.
Этот вариант освещён в форуме очень невнятно. Если делать так же, как и на дорестайл МТ, то у некоторых Сорентоводов начинают мигать пиктограммы, перестаёт работать режим 4LOW, вылезают ещё какие-то проблемы. Поэтому в этом случае следует применять схемы, которые используются на рестайлинговых Сориках. Хотя может я неправ, если кто-то может всё уточнить, буду благодарен.
4. Основная схема, совместимая со всеми рестайлинговыми и дорестайлинговыми Сориками. Основное существенное отличие: в режиме 2Н провод №3 не просто разрывается, как в предыдущих случаях, а через резистор (сопротивление) 30-50 Ом (оптимальнее 100 - 160 Ом - прим. BlkDem) соединяется с массой. Данный резистор является обманкой для электроники, чтобы она работала в нормальных режимах. Мощность его не менее 5 ватт, но чем мощнее, тем лучше для теплоотвода. Самый простой вариант 2Н с фотографиями на стр. 40,41. Самый простой вариант 4Н на стр.51.
4.1 Самый простой вариант 2Н-4Н:
Первую группу переключателя распаиваем аналогично п. 2.2.3
Вторую группу распаиваем следующим образом: на средний вывод (переключающийся контакт) запаиваем перемычку от 1-й группы с проводом №3. На контакт, который находится рядом с 12-вольтовым проводом, припаиваем провод от резистора. 2-й вывод резистора соединяем с массой. Оставшийся вывод переключателя оставляем свободным. Силовое питание лучше брать с контактов 2 и 7 того же разъема там +12 BAT через предохранитель (или с прикуривателя). А корпус на контактах 8 и 9! Соответственно кроме подключения к данному разъему никуда не надо больше лазить. И всё будет работать.
Предупреждение!!! Переключатель должен быть рассчитан на ток не менее 8-10А.
4.2 Этого минимально достаточно для обеспечения работы раздатки в режимах 2Н-4Н. Есть и более сложные схемы с использованием как реле, так и дополнительных элементов. Это позволяет не только создать нужный режим раздатки, но и контролировать работу электромагнитной муфты и т.д..
Основные, применяемые форумчанами схемы. В чём разница, неизвестно, т.к. ЛЕВ схему не выкладывал.
4.2.1 Схема от Льва. (Лёва) (Засекреченная) См.
Тема: Super-TOD от Лёвы: цены на установку или схемы (по почте)
4.2.2 Схема от Сергея UA3DFA, выложена в этом форуме. Стр.26
Тема: Ручное управление TOD (2HI-AUTO-4HI), Сообщение #315930, Автор: UA3DFA
Фотографии установки на стр.58
Тема: Ручное управление TOD (2HI-AUTO-4HI), Сообщение #438053, Автор: runner_Perm
Ещё схемы
От Евгени, стр.51. переводит трансмиссию в режим AUTO при торможении.
Тема: Ручное управление TOD (2HI-AUTO-4HI), Сообщение #419507, Автор: Евгени
доработка схемы на стр.58.
Тема: Ручное управление TOD (2HI-AUTO-4HI), Сообщение #438053, Автор: runner_Perm
От leolik интересное предложение на стр.62.
Тема: Ручное управление TOD (2HI-AUTO-4HI), Сообщение #448667, Автор: leolik
От BlkDem схема с крутилкой от Pathfinder стр.90
Тема: Ручное управление TOD (2HI-AUTO-4HI), Сообщение #673085, Автор: BlkDem
Вся тема по "SuperTOD by BlkDem":
Тема: Разработка SuperTOD-2. Запись желающих
Версия accent:
Тема: Ручное управление TOD (2HI-AUTO-4HI), Сообщение #1004557, Автор: Accent-58
Немножко теории:
Мощность рассеиваемая резистором=напряжение в квадрате делить на сопротивление, т.е. 14*14/R=196/R/ При 30 Ом = 6,5 Вт. Но лучше с запасом, чтобы меньше грелось.
(при 160 Ом, Pm = 14.4*14.4/160 = ~1.3 Вт - прим. Blkdem)
ШИМ - Широтно-импульсная модуляция. При 100% ШИМ среднее значение напряжения равно напряжению на входе ШИМ, т.е. напряжению в сети. Т.о. подача на катушку муфты полного напряжения равнозначно ШИМ со 100% модуляцией.
upd BlkDem: максимальная скважность, которую генерирует TOD ~0,87
на автомобилях Соренто дорестайлинговых и рестайлинговых.
Вопрос: «Это возможно?». Ответ: «Да».
1.Предупреждение!!! Тот, кто не ездил на авто с режимом Part-Time, должен сначала ознакомиться с особенностями езды в этих режимах, чтобы не повредить трансмиссию.
2. Начнём с самого простого варианта: дорестайл, ручная коробка передач МТ.
( Нет разницы, какая КПП. Пиктограммы мигают при неверном подключении и/или при отсутствии резистора-обманки. - прим. BlkDem)
2.1 Только режим 2Н – привод на задние колёса.
2.1.1 Самое простое – вынуть предохранитель N 13 или 14 - зависит от нескольких причин, но важно, что называется этот предохранитель "TCCS" - в салоне слева от левой коленки водителя, который находится за крышечкой. У меня лично (2.4 МТ 2005 г.в.) в этом режиме всё работало и ничего не мигало.
2.1.2 Я (автор сообщения) себе сделал режим 2HI-AUTO-4LOW простым способом. Сделал в разрыв предохранителя TCCS под ногами водителя тумблер с навесным предохранителем на 20А. Вывел его в левый откидной кармашек у ног. Полгода езжу без проблем. Сухо-отключаю TOD, гоняю на заднем, сыро-скользко - включаю TOD.
2.1.3 Более сложный способ – отключить электромагнитную муфту от модуля управления TOD. Для этого надо разрезать жёлтый провод №3, идущий от левого разъёма блока управления к муфте. В разрез запаиваем выключатель на 8-10 А, или реле, для управления которым используем дополнительный выключатель.
2.2 Только режим 4Н – привод на все колёса. Будем его так называть.
(Всё-таки вернее назвать этот режим не 4Н, а ЛОК. Потому что пользоваться этим режимом можно и на понижайке. (cnh/51)
2.2.1 Для его реализации также разрезаем провод №3 и используем переключатель на 2 положения.
Центральный контакт этого переключателя цепляем к перерезанному проводу, идущему на катушку муфты,
и оставшиеся контакты: один на провод №3 TOD, второй на +12.
Силовое питание лучше брать с контактов 2 и 7 того же разъема, там +12 BAT через предохранитель, или с прикуривателя.
2.3 Режим 2Н-4Н.
2.3.1 Аналогично пункту 2.2.1, только переключатель нужен 3-х позиционный, чтобы в нейтральном положении средний контакт не соединялся ни с одним из крайних. Это будет соответствовать 2Н.
3.Следующая конфигурация: дорестайл, автоматическая коробка передач АТ.
Этот вариант освещён в форуме очень невнятно. Если делать так же, как и на дорестайл МТ, то у некоторых Сорентоводов начинают мигать пиктограммы, перестаёт работать режим 4LOW, вылезают ещё какие-то проблемы. Поэтому в этом случае следует применять схемы, которые используются на рестайлинговых Сориках. Хотя может я неправ, если кто-то может всё уточнить, буду благодарен.
4. Основная схема, совместимая со всеми рестайлинговыми и дорестайлинговыми Сориками. Основное существенное отличие: в режиме 2Н провод №3 не просто разрывается, как в предыдущих случаях, а через резистор (сопротивление) 30-50 Ом (оптимальнее 100 - 160 Ом - прим. BlkDem) соединяется с массой. Данный резистор является обманкой для электроники, чтобы она работала в нормальных режимах. Мощность его не менее 5 ватт, но чем мощнее, тем лучше для теплоотвода. Самый простой вариант 2Н с фотографиями на стр. 40,41. Самый простой вариант 4Н на стр.51.
4.1 Самый простой вариант 2Н-4Н:
Первую группу переключателя распаиваем аналогично п. 2.2.3
Вторую группу распаиваем следующим образом: на средний вывод (переключающийся контакт) запаиваем перемычку от 1-й группы с проводом №3. На контакт, который находится рядом с 12-вольтовым проводом, припаиваем провод от резистора. 2-й вывод резистора соединяем с массой. Оставшийся вывод переключателя оставляем свободным. Силовое питание лучше брать с контактов 2 и 7 того же разъема там +12 BAT через предохранитель (или с прикуривателя). А корпус на контактах 8 и 9! Соответственно кроме подключения к данному разъему никуда не надо больше лазить. И всё будет работать.
Предупреждение!!! Переключатель должен быть рассчитан на ток не менее 8-10А.
4.2 Этого минимально достаточно для обеспечения работы раздатки в режимах 2Н-4Н. Есть и более сложные схемы с использованием как реле, так и дополнительных элементов. Это позволяет не только создать нужный режим раздатки, но и контролировать работу электромагнитной муфты и т.д..
Основные, применяемые форумчанами схемы. В чём разница, неизвестно, т.к. ЛЕВ схему не выкладывал.
4.2.1 Схема от Льва. (Лёва) (Засекреченная) См.
4.2.2 Схема от Сергея UA3DFA, выложена в этом форуме. Стр.26
Фотографии установки на стр.58
Ещё схемы
От Евгени, стр.51. переводит трансмиссию в режим AUTO при торможении.
доработка схемы на стр.58.
От leolik интересное предложение на стр.62.
От BlkDem схема с крутилкой от Pathfinder стр.90
Вся тема по "SuperTOD by BlkDem":
Версия accent:
Немножко теории:
Мощность рассеиваемая резистором=напряжение в квадрате делить на сопротивление, т.е. 14*14/R=196/R/ При 30 Ом = 6,5 Вт. Но лучше с запасом, чтобы меньше грелось.
(при 160 Ом, Pm = 14.4*14.4/160 = ~1.3 Вт - прим. Blkdem)
ШИМ - Широтно-импульсная модуляция. При 100% ШИМ среднее значение напряжения равно напряжению на входе ШИМ, т.е. напряжению в сети. Т.о. подача на катушку муфты полного напряжения равнозначно ШИМ со 100% модуляцией.
upd BlkDem: максимальная скважность, которую генерирует TOD ~0,87
Дополнения, неточности, пожелания - прошу мне (BlkDem) в ЛС.
|





.