Garyk писал(а):Если ты про косточки
да про стойки стабилизатора! два раза тоже левая! но я и правую всегда менял !парой...
Garyk писал(а):Если ты про косточки
Янц Евгений писал(а):Теперь качаю 2.1 , и комфорта прибавилось, подвеска меньше страдает и протектор изнашивается - впереди ровно, сзади все еще в центре, езжу в основном один. Увеличение расхода почти не заметно, примерно 0,5 л / 100 км.
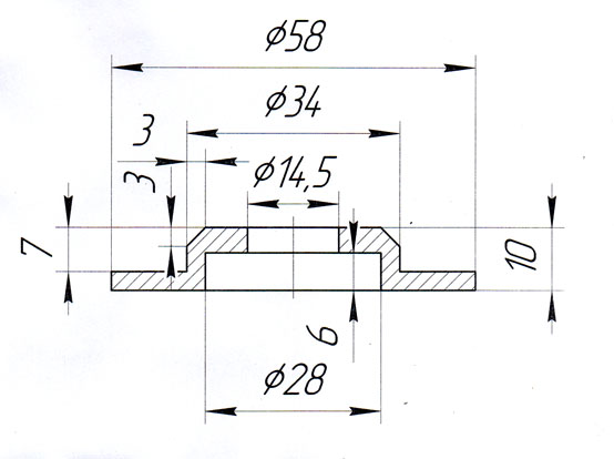
Янц Евгений писал(а):вставляем вовнутрь шайбу подходящего диаметра толщиной около 2 - 3мм.
aleks778899 писал(а):Год выпуска: 2002
aleks778899 писал(а):после увеличения давления в шинах обнаружил износ рязины внутренней части
Lion писал(а):подходящую по внутреннему диаметру или по наружнему
Lion писал(а):Насколько я помню между прорезиненой шайбой и кузовом есть еще металическая широкая шайба.
Lion писал(а):Какую роль будет выполнять эта шайба внутри?
Talik писал(а):сколько лет резине?
Янц Евгений писал(а):последний вопросик был не мне.

Янц Евгений писал(а):Не буду голословным




Янц Евгений писал(а):Резине как и машине, с 13 - го года. Пробег 60000.

Talik писал(а):ты реально зимой ездишь на этой резине?
Talik писал(а):моя изношенней твоей раза в 2 примерно, приглядись внимательно
Янц Евгений писал(а):Нет, обрезиненная прилегает к кузову
,очень интересно. Смотрю на ваше фото обрезиненой шайбы, походу она уменя уже из двух частей состоит, причем с обоих сторон. Уж больно похожа широкая площадка, на ту шайбу про которую я говорил. В выходные край делов лезть туда и смотреть. А я катаюсь и ощущение, будто что-то откручено, уже все, что можно протянул 
Янц Евгений писал(а):Кто сколько качает колеса?
Янц Евгений писал(а):Устранение дефекта крепления переднего подрамника FL.
Вернуться в Подвеска и ходовая (XM F/L)
Сейчас этот форум просматривают: нет зарегистрированных пользователей и гости: 2