Проставки для увеличения клиренса KIA SORENTO XM/FL

Особенности устройства и эксплуатации элементов подвески и ходовой части автомобилей KIA SORENTO XM F/L (2013MY)

Re: Проставки для увеличения клиренса KIA SORENTO XM/FL

Сообщение BrEd » 01 фев 2015, 10:40

Bryton писал(а):По диаметру встают как родные! Очень доволен! Теперь выезжаю из дома утром в объезд пробок по трамвайным путям без страха и упрёка....
Думаю теперь, что и 30 мм не помешают, потому как 46 сантиметров лифт при баке в 1/4... Если полный бак, то 45 или чуть меньше....


а у тебя какая резина стоит? Не думал поставить резину нештатного размера - можно еще на 1-2 см клиренс задрать?
Аватара пользователя
BrEd
 
 
Сообщения: 744
Зарегистрирован: 09 дек 2007, 19:22
Откуда: Новосибирск
Благодарил (а): 3 раз.
Поблагодарили: 40 раз.
Имя: Эдуард
Автомобиль: Sorento XM F/L, 2.4 (174 л/с), 4WD, AT
Год выпуска: 2015

Re: Проставки для увеличения клиренса KIA SORENTO XM/FL

Сообщение Bryton » 01 фев 2015, 10:49

BrEd
Не, не думал... Лето правда поставили на 19 диски, но на штатный размер шин..
Аватара пользователя
Bryton
 
 
Сообщения: 695
Зарегистрирован: 05 июн 2010, 08:47
Откуда: Тула
Благодарил (а): 49 раз.
Поблагодарили: 22 раз.
Имя: Алексей
Автомобиль: Sorento XM F/L, 2.2TD (197 л/с), 4WD, AT
Год выпуска: 2019
Доп. информация: NEW PRESTIGE WHITE PEARL

Re: Проставки для увеличения клиренса KIA SORENTO XM/FL

Сообщение Янц Евгений » 13 фев 2015, 06:16

Алексей, огромная благодарность Тебе за инфу.
Заказал в Новосибе, 20мм перед и 30мм зад. У моей машинки зад силнее просевший хотя пробег всего 30000. Видимо из за фаркопа, хотя прицеп таскаю только летом и не часто. Сам фаркоп 15кг и в хвосте. То что машина низко сидит меня не очень беспокоит, не часто приходится по грунтовке носиться, а вот пробои зада на волнах напрягают.
Янц Евгений
 
 
Сообщения: 308
Зарегистрирован: 11 фев 2015, 16:11
Откуда: Темиртау
Благодарил (а): 11 раз.
Поблагодарили: 56 раз.
Имя: Евгений
Автомобиль: Sorento XM F/L, 2.4 (174 л/с), 4WD, AT
Год выпуска: 2013

Re: Проставки для увеличения клиренса KIA SORENTO XM/FL

Сообщение Bryton » 13 фев 2015, 20:08

Янц Евгений

Ну, не знаю, как насчет фаркопа, потому, как и у меня стоит быстросъёмный фаркоп BOSAL... Другое дело, что я, практически 98% пробега езжу один, на пустой машине... Правда, почувствовал просадку после пробега с прицепом весом в 500-600 кг. на 800 километров... Но через несколько дней просвет встал на своё место....
Аватара пользователя
Bryton
 
 
Сообщения: 695
Зарегистрирован: 05 июн 2010, 08:47
Откуда: Тула
Благодарил (а): 49 раз.
Поблагодарили: 22 раз.
Имя: Алексей
Автомобиль: Sorento XM F/L, 2.2TD (197 л/с), 4WD, AT
Год выпуска: 2019
Доп. информация: NEW PRESTIGE WHITE PEARL

Re: Проставки для увеличения клиренса KIA SORENTO XM/FL

Сообщение usolchanin » 15 фев 2015, 06:07

Vlad1 писал(а):Номера бы выложил SORENTO XMFL,если сам ещё и продаёшь!

я же ссылки выложил, там все указано! смотри внимательней!
Аватара пользователя
usolchanin
 
 
Сообщения: 9
Зарегистрирован: 19 янв 2014, 16:39
Откуда: Усолье-Сибирское
Благодарил (а): 4 раз.
Поблагодарили: 0 раз.
Имя: Алексей
Автомобиль: Sorento XM, 2.2TD (197 л/с), 4WD, AT, 7 мест
Год выпуска: 2013
Доп. информация: Сборка-Южная Корея, комплектация "NOBLESSE", теперь на "Влад-пружинах"

Re: Проставки для увеличения клиренса KIA SORENTO XM/FL

Сообщение Bryton » 19 фев 2015, 12:55

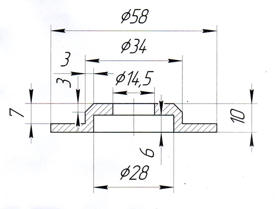
Для любителей лифта без замены пружин сообщаю точные размеры межцентровых расстояний шпилек переднего опорного подшипника... Откуда узнал... Да опять наступил на грабли при помощи Новосибирска... Пришли алюминиевые проставки на перед с размером 113/113/136, якобы на Сорик 2013.... Сейчас стоят сидовские 109/109/127... Налезли с минимальным натягом, потому, скорее всего и поскрипывали при качании... Естественно алюминий пришлось дотачивать. Пока сам не промерил расстояния - исправлял ошибки интернет-продавцов... Итак! Барабанная дробь: 114/114/128... Желаю удачи в лифте машины и жизни!
Аватара пользователя
Bryton
 
 
Сообщения: 695
Зарегистрирован: 05 июн 2010, 08:47
Откуда: Тула
Благодарил (а): 49 раз.
Поблагодарили: 22 раз.
Имя: Алексей
Автомобиль: Sorento XM F/L, 2.2TD (197 л/с), 4WD, AT
Год выпуска: 2019
Доп. информация: NEW PRESTIGE WHITE PEARL

Re: Проставки для увеличения клиренса KIA SORENTO XM/FL

Сообщение Brio » 19 фев 2015, 19:27

Bryton, а можно по-подробнее про этот способ лифта?
Мне только резиновые проставки пришли, еще никак не заберу.
Brio
 
 
Сообщения: 112
Зарегистрирован: 16 ноя 2014, 23:33
Откуда: Москва
Благодарил (а): 58 раз.
Поблагодарили: 5 раз.
Имя: Алексей
Автомобиль: Sorento XM F/L, 2.2TD (197 л/с), 4WD, AT
Год выпуска: 2014

Re: Проставки для увеличения клиренса KIA SORENTO XM/FL

Сообщение Bryton » 20 фев 2015, 06:56

Brio
Ничего волшебного... Просто вместо резинопластика ставится алюминиевая проставка такой же формы и такой же конфигурации...
Аватара пользователя
Bryton
 
 
Сообщения: 695
Зарегистрирован: 05 июн 2010, 08:47
Откуда: Тула
Благодарил (а): 49 раз.
Поблагодарили: 22 раз.
Имя: Алексей
Автомобиль: Sorento XM F/L, 2.2TD (197 л/с), 4WD, AT
Год выпуска: 2019
Доп. информация: NEW PRESTIGE WHITE PEARL

Re: Проставки для увеличения клиренса KIA SORENTO XM/FL

Сообщение Янц Евгений » 20 фев 2015, 14:47

Странно. Мне пришли сидовские (2010-2011) с размером 114/114/128. Заказывал по номерам 17-15-011/20.
Янц Евгений
 
 
Сообщения: 308
Зарегистрирован: 11 фев 2015, 16:11
Откуда: Темиртау
Благодарил (а): 11 раз.
Поблагодарили: 56 раз.
Имя: Евгений
Автомобиль: Sorento XM F/L, 2.4 (174 л/с), 4WD, AT
Год выпуска: 2013

Re: Проставки для увеличения клиренса KIA SORENTO XM/FL

Сообщение Serg. » 20 фев 2015, 17:33

Янц Евгений
А где заказывал? Тоже собираюсь, никак не опредилюсь. Задние тоже заказывал? Нормальные пришли? Если можно напиши номера.
Аватара пользователя
Serg.
 
 
Сообщения: 106
Зарегистрирован: 28 окт 2012, 12:35
Откуда: Караганда
Благодарил (а): 14 раз.
Поблагодарили: 7 раз.
Имя: Сергей
Автомобиль: Sorento XM, 2.4 (174 л/с), 4WD, AT
Год выпуска: 2010

Re: Проставки для увеличения клиренса KIA SORENTO XM/FL

Сообщение Bryton » 20 фев 2015, 18:07

Янц Евгений писал(а):Странно. Мне пришли сидовские (2010-2011) с размером 114/114/128. Заказывал по номерам 17-15-011/20.

Ну вот видите! Покупатели более компетентны в размерах, чем продавцы... 114/114/128 - НАШ РАЗМЕР!
Аватара пользователя
Bryton
 
 
Сообщения: 695
Зарегистрирован: 05 июн 2010, 08:47
Откуда: Тула
Благодарил (а): 49 раз.
Поблагодарили: 22 раз.
Имя: Алексей
Автомобиль: Sorento XM F/L, 2.2TD (197 л/с), 4WD, AT
Год выпуска: 2019
Доп. информация: NEW PRESTIGE WHITE PEARL

Re: Проставки для увеличения клиренса KIA SORENTO XM/FL

Сообщение Янц Евгений » 21 фев 2015, 07:01

Serg. писал(а):А где заказывал? Тоже собираюсь, никак не опредилюсь. Задние тоже заказывал? Нормальные пришли? Если можно напиши номера.

Заказывал здесь: http://www.polimer-nsk.ru/static/prices/PROSTAVKI/
Перед: 17-15-011/20
Зад: 1-15-026/30 (Прадо)
Еще пока не ставил. Борюсь со стуком в передней подвеске, заказал стойку, придет, за одно и проставки вставлю.
проставка.jpg

Немного не по теме..... В поисках стука, нашел недоработку крепления поперечной балки. Протягивая балку, одна из гаек преднего крепления была слегка ослаблена. Открутив гайку и сняв шайбу (красная стрелка на схеме),
схема.jpg

видим что отверстие шайбы 16,5мм при шпильке 14мм. Сместившись при затягивании она торцом соприкасается с наружней обоймой сайлентблока.
На фото видно смещение и следы от биения по ней.
старая.jpg

старая 2.jpg

Как всегда, спасают токаря.
новая.jpg

шайба ч.jpg

В заднем креплении балки в штатную упорную обрезиненную шайбу (синяя стрелка на схеме) вставил шайбу с отв. 14мм.
упорная.jpg

От искомого стука не избавился, а вот стыки асфальта теперь на кузов не передаются. Сам не ожидал такого эфекта!
Машина 2013 года, сборка Казахстан. Возможно на Корейских и Российских, стоят нормальные шайбы, но проверить стоит.
Всем удачи.
Янц Евгений
 
 
Сообщения: 308
Зарегистрирован: 11 фев 2015, 16:11
Откуда: Темиртау
Благодарил (а): 11 раз.
Поблагодарили: 56 раз.
Имя: Евгений
Автомобиль: Sorento XM F/L, 2.4 (174 л/с), 4WD, AT
Год выпуска: 2013

Re: Проставки для увеличения клиренса KIA SORENTO XM/FL

Сообщение Serg. » 21 фев 2015, 10:34

Янц Евгений
Спасибо за ссылку. А почему вы заказали на сид и на прадо, а не на Sorento XM. По таблице у них вроде есть. Щас отправил к ним заявку, посмотрим что ответят.
Насчет крепления балки обязательно надо посмотреть. По фото все отлично понятно и доступно. Спасибо.
Аватара пользователя
Serg.
 
 
Сообщения: 106
Зарегистрирован: 28 окт 2012, 12:35
Откуда: Караганда
Благодарил (а): 14 раз.
Поблагодарили: 7 раз.
Имя: Сергей
Автомобиль: Sorento XM, 2.4 (174 л/с), 4WD, AT
Год выпуска: 2010

Re: Проставки для увеличения клиренса KIA SORENTO XM/FL

Сообщение Bryton » 21 фев 2015, 10:50

Serg.
Потому что у нас Соренто ФЛ и совсем другой опорник стоит!
Аватара пользователя
Bryton
 
 
Сообщения: 695
Зарегистрирован: 05 июн 2010, 08:47
Откуда: Тула
Благодарил (а): 49 раз.
Поблагодарили: 22 раз.
Имя: Алексей
Автомобиль: Sorento XM F/L, 2.2TD (197 л/с), 4WD, AT
Год выпуска: 2019
Доп. информация: NEW PRESTIGE WHITE PEARL

Re: Проставки для увеличения клиренса KIA SORENTO XM/FL

Сообщение Serg. » 21 фев 2015, 10:58

Bryton
Понятно.
Аватара пользователя
Serg.
 
 
Сообщения: 106
Зарегистрирован: 28 окт 2012, 12:35
Откуда: Караганда
Благодарил (а): 14 раз.
Поблагодарили: 7 раз.
Имя: Сергей
Автомобиль: Sorento XM, 2.4 (174 л/с), 4WD, AT
Год выпуска: 2010

Пред.След.

Вернуться в Подвеска и ходовая (XM F/L)

Кто сейчас на конференции

Сейчас этот форум просматривают: нет зарегистрированных пользователей и гости: 4