ВЕЛ писал(а): солдатикам быть.
ВЕЛ писал(а):Штатные резинки грамотные, им сносу не будет
ВЕЛ писал(а):И конечно нижние резинки должны быть с о втулкой. Втулка важна, без
неё - никак.
Nikolay0812 писал(а):Без втулки

[user]100$[/user] писал(а):потрачу пятачок на Чудо-Токику
[user]100$[/user] писал(а):отчего в шапке не появляются новые, проверенные Ноу-Хау

Nikolay0812 писал(а): пару раз обмыть

Nikolay0812 писал(а):сама не вырастит
[user]100$[/user] писал(а):свой опыт.
[user]100$[/user] писал(а):Вот ты и
А то сидишь в политике,а как амортизаторы на твоей машине крепятся-даже не догадываешься 
Nikolay0812 писал(а): А то сидишь в политике

Nikolay0812 писал(а):а как амортизаторы на твоей машине крепятся-даже не догадываешься

[user]100$[/user] писал(а):Давайте [user]Vl@dK[/user] на пиво соберем или лайками закидаем
lex0370 писал(а):Привет!
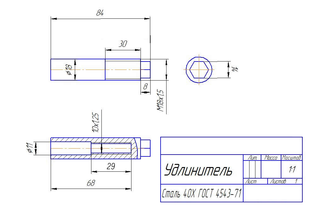
Все встало без проблем, вверху удлинитель (если надо выложу чертеж), внизу Волговские втулки + трубка вн. диам. 14 мм.
По ощущениям, управляемость на 5 балов из 5, проезд лежачих полицейских и рельсы 5 балов, когда проезжаешь колейность поперек 3 балла, так как автомобиль повторяет профиль дороги.
В целом отличная 4. В следующий раз если буду менять задние амортизаторы, то послушаюсь совета коллеги -Vl@dK писал(а):Лучше добавьте на оригинальную Токику, переплата того стоит.
Litr писал(а):Подскажите что предпочесть для лифта 52см с пружинами РИФ
Вернуться в Подвеска и ходовая (BL)
Сейчас этот форум просматривают: нет зарегистрированных пользователей и гости: 5