Тема: Передние и задние проставки, Сообщение #1477340, Автор: Gubkin
Пример- Вам нужно поднять перед машины на 40 мм, высота проставки H=40/1,8=22,2мм.
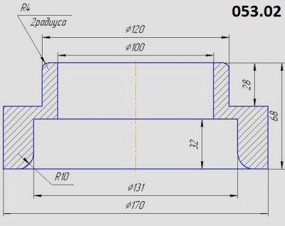
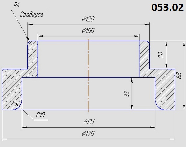
Чертеж задних проставок рестайл от accent
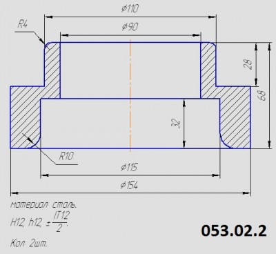
Чертеж задних удлинителей отбойников рестайл (на дорестайл не ставились) от accent
Чертеж задних удлинителей аммортизаторов рестайл (на дорестайл не ставились) от accent
Чертеж задних проставок для установки на РЕСТАЙЛ вместе с пружинами H@R от дорестайла от accent
---- Тема: Передние и задние проставки, Сообщение #1255117, Автор: Accent-58
С этими размерами получается завышение 53мм (от центра колеса до арки)
---- http://polimer-nsk.ru/static/prices/Kia_prost/ - готовые проставки из полиуретана.
Доработка тяги панара от accent
---- Тема: Выставление углов(схождение,развал,кастер)., Сообщение #1403036, Автор: Accent-58



