Добрый суток!
Случилась такая неприятность, на ходу неожиданно заглохла машина и ни в какую не заводится.
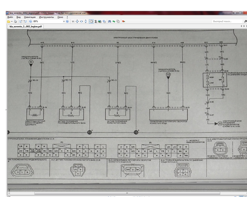
Выявил, что нет искры. Сразу поменял свечи, провода менял буквально месяца полтора назад, поставил чешские. Затем поменял катушки зажигания результат ноль. Затем поменял датчик опережения зажигания, результата нет, на всякий случай поменял конденсатор в цепи (незнаю как он правильно называется) не завелась. Ииии... наступило удивление... а там же больше и менять то нечего. Очень надеюсь что проблема не в ЭБУ.
Поделитесь пожалуйста идеями буду очень благодарен (сканера нет, заказал будет только через пару недель).


. Датчик заказал, придет через пару дней, сейчас выдалось свободное время добрался до датчика визуально все в порядке, ни механических повреждений ни признаков перегрева, ни разболтаных проводов.