Доработка включения бензонасоса 3,3

Особенности устройства и эксплуатации электрической части автомобилей KIA SORENTO BL (2002..2009)

Доработка включения бензонасоса 3,3

Сообщение Accent-58 » 06 сен 2016, 06:54

Мне не нравится, что бензонасос на соренте 3,3 включается после того, как начинает крутится стартер. Небольшая доработка изменяет алгоритм включения. Теперь бензонасос будет включаться, когда включено зажигание.

Вот это реле вытаскиваем, загибаем штырь, проводом его на массу, реле поставить обратно. Массу в блоке предохранителей не нашел, нужно выводить на улицу.

Изображение

Изображение
ಠ_ಠ Изображениеಠ_ಠ
Аватара пользователя
Accent-58
 
 
Сообщения: 7080
Зарегистрирован: 30 апр 2008, 07:48
Откуда: Пенза
Благодарил (а): 229 раз.
Поблагодарили: 584 раз.
Имя: Александр
Автомобиль: Другая машина
Год выпуска: 2012
Доп. информация: были
SORENTO BL 2.5TD
SORENTO BL 3,3
SORENTO XM 2,4
Сейчас LCP 150

Re: Доработка включения бензонасоса 3,3

Сообщение OlegOgurtsov » 24 фев 2017, 03:52

Зачем загибать можно просто перемычку поставить на контакт
OlegOgurtsov
 
 
Сообщения: 116
Зарегистрирован: 08 ноя 2016, 13:37
Откуда: Северск
Благодарил (а): 0 раз.
Поблагодарили: 0 раз.
Имя: Олег
Автомобиль: Sorento BL, 3.3 (247 л/с) TOD, AT
Год выпуска: 2007

Re: Доработка включения бензонасоса 3,3

Сообщение Maestro70 » 14 ноя 2019, 23:10

А на 2.4 (2005 года) можно так сделать? Только у меня в этом углу другая релюха стоит. Массу кидать от загнутого контакта?
Аватара пользователя
Maestro70
 
 
Сообщения: 214
Зарегистрирован: 10 ноя 2015, 18:27
Откуда: Санкт-Петербург ВесПос, Кондинское (ХМАО-Югра)
Благодарил (а): 0 раз.
Поблагодарили: 9 раз.
Имя: Юрий
Автомобиль: Sorento BL, 2.4 (141 л/с), TOD, MT
Год выпуска: 2005
Доп. информация: KIA Sorento EX TOD МТ...Истинный кореец)))

Re: Доработка включения бензонасоса 3,3

Сообщение Accent-58 » 15 ноя 2019, 11:01

Нужно схему смотреть на 2,4. Массу да, нужно подать на загнутый штырь реле
ಠ_ಠ Изображениеಠ_ಠ
Аватара пользователя
Accent-58
 
 
Сообщения: 7080
Зарегистрирован: 30 апр 2008, 07:48
Откуда: Пенза
Благодарил (а): 229 раз.
Поблагодарили: 584 раз.
Имя: Александр
Автомобиль: Другая машина
Год выпуска: 2012
Доп. информация: были
SORENTO BL 2.5TD
SORENTO BL 3,3
SORENTO XM 2,4
Сейчас LCP 150

Re: Доработка включения бензонасоса 3,3

Сообщение Maestro70 » 15 ноя 2019, 13:44

у меня вот так -- Изображение[/url]
Аватара пользователя
Maestro70
 
 
Сообщения: 214
Зарегистрирован: 10 ноя 2015, 18:27
Откуда: Санкт-Петербург ВесПос, Кондинское (ХМАО-Югра)
Благодарил (а): 0 раз.
Поблагодарили: 9 раз.
Имя: Юрий
Автомобиль: Sorento BL, 2.4 (141 л/с), TOD, MT
Год выпуска: 2005
Доп. информация: KIA Sorento EX TOD МТ...Истинный кореец)))

Re: Доработка включения бензонасоса 3,3

Сообщение Accent-58 » 15 ноя 2019, 14:30

это не электрическая схема
ಠ_ಠ Изображениеಠ_ಠ
Аватара пользователя
Accent-58
 
 
Сообщения: 7080
Зарегистрирован: 30 апр 2008, 07:48
Откуда: Пенза
Благодарил (а): 229 раз.
Поблагодарили: 584 раз.
Имя: Александр
Автомобиль: Другая машина
Год выпуска: 2012
Доп. информация: были
SORENTO BL 2.5TD
SORENTO BL 3,3
SORENTO XM 2,4
Сейчас LCP 150

Re: Доработка включения бензонасоса 3,3

Сообщение Maestro70 » 15 ноя 2019, 17:14

Да Саша. Это схема расположения реле и предохранителей. Тем не менее мне нужно шагать от реле FUEL? Или все же нужна эл.схема? В отличии от твоей схемы , у меня реле FUEL в другом месте расположена , почему я и решил задать вопрос.









Изображение
Последний раз редактировалось Maestro70 16 ноя 2019, 20:33, всего редактировалось 1 раз.
Аватара пользователя
Maestro70
 
 
Сообщения: 214
Зарегистрирован: 10 ноя 2015, 18:27
Откуда: Санкт-Петербург ВесПос, Кондинское (ХМАО-Югра)
Благодарил (а): 0 раз.
Поблагодарили: 9 раз.
Имя: Юрий
Автомобиль: Sorento BL, 2.4 (141 л/с), TOD, MT
Год выпуска: 2005
Доп. информация: KIA Sorento EX TOD МТ...Истинный кореец)))

Re: Доработка включения бензонасоса 3,3

Сообщение Accent-58 » 15 ноя 2019, 19:25

я не смогу помочь, во первых я просто уже не помню что я там у себя мудрил, во вторых, чтобы понять, как отследить, что с реле замутить , нужно посмотреть схему электрическую, а не размещение реле в монтажном блоке.
ಠ_ಠ Изображениеಠ_ಠ
Аватара пользователя
Accent-58
 
 
Сообщения: 7080
Зарегистрирован: 30 апр 2008, 07:48
Откуда: Пенза
Благодарил (а): 229 раз.
Поблагодарили: 584 раз.
Имя: Александр
Автомобиль: Другая машина
Год выпуска: 2012
Доп. информация: были
SORENTO BL 2.5TD
SORENTO BL 3,3
SORENTO XM 2,4
Сейчас LCP 150

Re: Доработка включения бензонасоса 3,3

Сообщение Evgeni39 » 15 ноя 2019, 21:09

Maestro70 писал(а):у меня вот так -- Изображение[/url]


FUEL RELAY, второе снизу, слева.
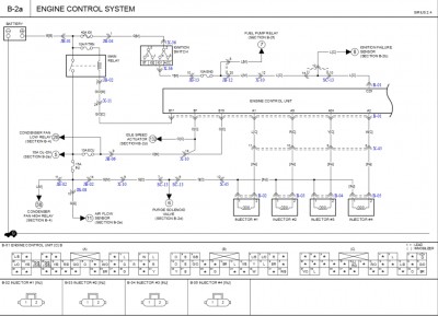
Вот схема:
B2-a.jpg

B2-f.jpg


С замка зажигания идет плюс на катушку реле насоса( переход в кружке 7 на схему B2-f).
Земля на катушку реле приходит с блока управления двигателем (контакт 10 разъема JB-06).

Нужно прозвонить разъем, в который вставлено реле, отыскав клемму, которая идет на контакт 3 JB-06 с предохранителя 10A ENG. Тогда противоположный контакт катушки реле окажется искомым, который нужно посадить на землю.
Аватара пользователя
Evgeni39
 
 
Сообщения: 270
Зарегистрирован: 18 мар 2017, 18:29
Откуда: Калининград
Благодарил (а): 12 раз.
Поблагодарили: 55 раз.
Автомобиль: Sorento BL, 2.5TD (170 л/с), TOD, AT
Год выпуска: 2007
Доп. информация: FULL-TIME

Re: Доработка включения бензонасоса 3,3

Сообщение Бубайло » 16 ноя 2019, 11:57

А что это дает? Вроде и так норм всё
У оптимистов будет всё плохо,но они не заметят
У пессимистов будет всё хорошо,но им опять не понравится.
Аватара пользователя
Бубайло
 
 
Сообщения: 21824
Зарегистрирован: 14 авг 2011, 12:57
Откуда: МО, Фрязино
Благодарил (а): 2389 раз.
Поблагодарили: 985 раз.
Имя: Евгений
Автомобиль: Sorento BL, 3.3 (247 л/с) TOD, AT
Год выпуска: 2007
Доп. информация: До этого была Соренто 3.5

Re: Доработка включения бензонасоса 3,3

Сообщение Maestro70 » 16 ноя 2019, 17:14

Спасибо Евгений за ценную информацию и разъяснение. Теперь только осталось научится читать и понимать эти схемы и все будет пучком))) Ибо меня бы носом ткнуть типа- вот это реле нужно вытащить , вот к этой ножке нужно прие...ть проводок и кинуть его на массу , и т.д. Ну и до сих пор не понял как благодарить форумчан за помощь. С ув. Юрий

Добавлено через 8 минут 22 секунды:
Бубайло писал(а):А что это дает? Вроде и так норм всё


Нет Женя , немного неудобно и не комфортно лично для меня. Привык к жужжанию заполнения насоса при включении зажигания. А сейчас у меня загадка полнейшая в машине- кручу долго стартером , раза по три-четыре, прежде чем машина заведется. Понимаю что один из ответов- не держится давление топлива в рампе. Понять не могу почему.Моторчик качает ,уплотнители стакана (три резиночки) целые , упругие ,стоять по местам.После проверки качания моторчика ,топливо оставшееся в проверочном прозрачном шланге стоит на месте и не уходит назад. А при кручении стартером ,звука включения насоса не слышно.Так вот и хочу переделать как привычней.

Изображение
Аватара пользователя
Maestro70
 
 
Сообщения: 214
Зарегистрирован: 10 ноя 2015, 18:27
Откуда: Санкт-Петербург ВесПос, Кондинское (ХМАО-Югра)
Благодарил (а): 0 раз.
Поблагодарили: 9 раз.
Имя: Юрий
Автомобиль: Sorento BL, 2.4 (141 л/с), TOD, MT
Год выпуска: 2005
Доп. информация: KIA Sorento EX TOD МТ...Истинный кореец)))

Re: Доработка включения бензонасоса 3,3

Сообщение Evgeni39 » 16 ноя 2019, 22:37

Юрий, в данном случае придется самостоятельно определить, какая ножка реле должна идти на массу, потому что в KIA GDS нет маркировки его контактов.
Аватара пользователя
Evgeni39
 
 
Сообщения: 270
Зарегистрирован: 18 мар 2017, 18:29
Откуда: Калининград
Благодарил (а): 12 раз.
Поблагодарили: 55 раз.
Автомобиль: Sorento BL, 2.5TD (170 л/с), TOD, AT
Год выпуска: 2007
Доп. информация: FULL-TIME

Re: Доработка включения бензонасоса 3,3

Сообщение Maestro70 » 17 ноя 2019, 12:06

[list=]
Evgeni39 писал(а):Юрий, в данном случае придется самостоятельно определить, какая ножка реле должна идти на массу, потому что в KIA GDS нет маркировки его контактов.
[/list]


Вот как раз сейчас и пойду экспериментировать)))Спасибо еще раз Евгений!!! Да то Бог что бы все получилось :)

Добавлено через 1 час 4 минуты 35 секунд:
Попробовал сделать так же как на фото выше. Перекрестился на всякий случай , ключ на старт... Насос действительно загудел-за работал. Только вот почему то ,,постоянно" . На предыдущих моих машинах ,при включении зажигания насос включался на секунды 2 и замолкал. Он так включается и отключается при создании определенного давления в системе? Или просто стоит какой то таймер на определенное время предварительной накачки?
Сейчас аккум подзаряжу и пойду снова ,,пытать" своего ,,бегемота" . Попробую эксперимент с другой ножкой.

Добавлено через 3 часа 24 минуты 1 секунду:
В принципе эксперимент можно посчитать не удавшимся, если конечно у нас нет предварительной накачки , из-за которой то все это и проделалось. Насос начинает работу при включении зажигания , слышно его работу в постоянном режиме. Хотя специально залез в Сорик к соседу (он у него 2015 года) и проверил процедуру работы насоса у него. Все как и должно быть- включение зажигания- запуск насоса на 2 сек.-остановка насоса- можно заводить. Почему у нас не так?

Изображение
Аватара пользователя
Maestro70
 
 
Сообщения: 214
Зарегистрирован: 10 ноя 2015, 18:27
Откуда: Санкт-Петербург ВесПос, Кондинское (ХМАО-Югра)
Благодарил (а): 0 раз.
Поблагодарили: 9 раз.
Имя: Юрий
Автомобиль: Sorento BL, 2.4 (141 л/с), TOD, MT
Год выпуска: 2005
Доп. информация: KIA Sorento EX TOD МТ...Истинный кореец)))

Re: Доработка включения бензонасоса 3,3

Сообщение Evgeni39 » 19 ноя 2019, 21:44

В ЭБУ двигателя есть программная логика, которой определено время и момент включения насоса.
Почему насос должен отключаться через какое-то время, если Вы своей переделкой его напрямую подключаете к аккумулятору поворотом ключа зажигания?
Аватара пользователя
Evgeni39
 
 
Сообщения: 270
Зарегистрирован: 18 мар 2017, 18:29
Откуда: Калининград
Благодарил (а): 12 раз.
Поблагодарили: 55 раз.
Автомобиль: Sorento BL, 2.5TD (170 л/с), TOD, AT
Год выпуска: 2007
Доп. информация: FULL-TIME

Re: Доработка включения бензонасоса 3,3

Сообщение Yugin » 19 ноя 2019, 22:07

Это ихняя личная машина . Пусть творят с ней что угодно . Хоть включение стартера при запуске в 20 секунд до качественного запаха с дымком .
Аватара пользователя
Yugin
 
 
Сообщения: 463
Зарегистрирован: 10 май 2014, 16:18
Откуда: Химки
Благодарил (а): 14 раз.
Поблагодарили: 50 раз.
Имя: Евгений
Автомобиль: Sorento XM, 2.4 (174 л/с), 4WD, AT
Год выпуска: 2013

След.

Вернуться в Электрика и электроника (BL)

Кто сейчас на конференции

Сейчас этот форум просматривают: нет зарегистрированных пользователей и гости: 7