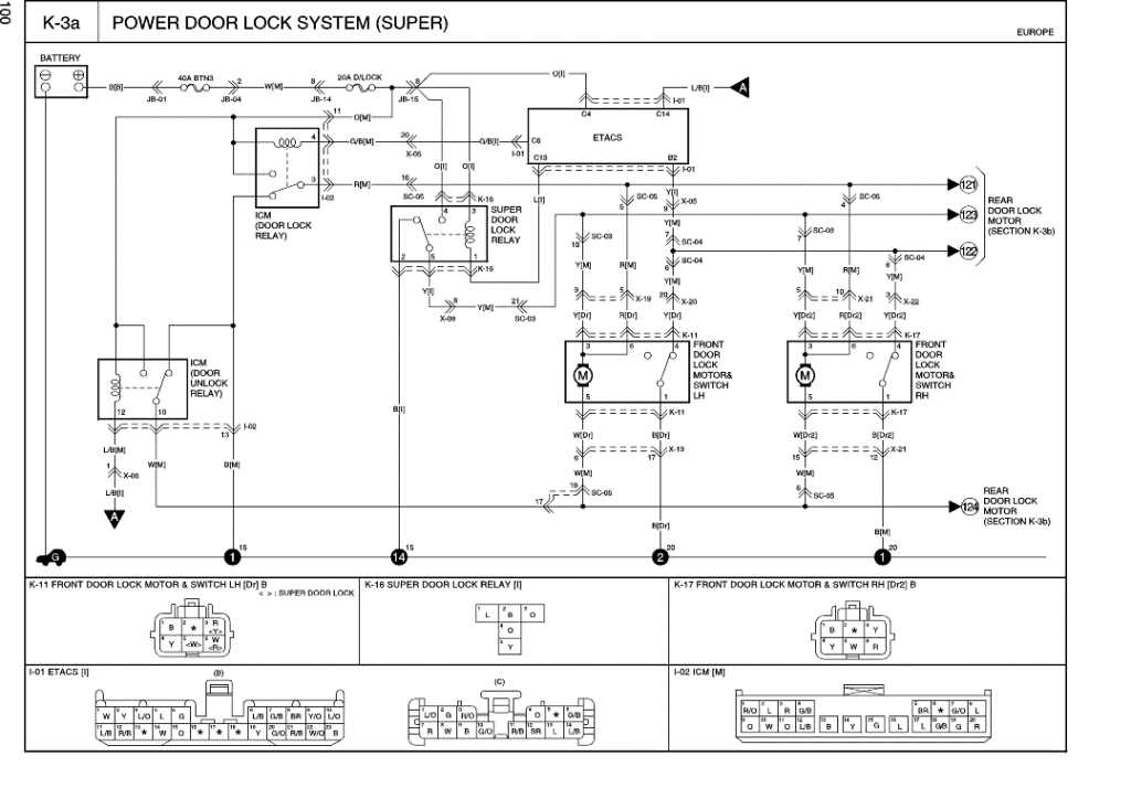
Поставил сигналку...все подключил все работает -- я счастлив... Но вот беда.... когда ставишь не охрану закрываются двери, но их можно открыть изнутри(аналог кнопки около стеклоподъемников). Когда закрываешь штатным пультиком изнутри не открываются. Вопрос: может кто в курсе где находится проводок который подает импульс на закрытие дверей, чтобы их изнутри нельзя было открыть?
ЗЫ: Пытался искать прозвоном....прозвонил 5 фишек слева под рулем(там где врезал сигналку к поворотам, замкам и т.п.) не нашел... Нашел блочек на кузове (чуть левее выше названных фишек) который щелкает при открытии закрытии дверей (думал что это какое-то или какие-то реле блокировки) попробовал позвонить---нашел тот же провод, что и на фишках...больше ничего... сегодня попробую ещё позвонить.
За ранее спасибо.



...отпало вообще желание ездить на СТО. При поставленной на охрану машине открываешь двери, она поорала..садишься благополучно заводишь...и вперед)) даже блокировку не поставили...панели покоцали..подсветка панели перестала гореть и кучу чего ещё((( Поэтому лучше сам....вот только не могу разобраться как блокировку эту сделать((