podvoh писал(а):Год выпуска и расположения реле-может отличаться
А мотор стеклоочистителя и трапеция одинаковые

podvoh писал(а):Год выпуска и расположения реле-может отличаться

S&V писал(а):А мотор стеклоочистителя и трапеция одинаковые

podvoh писал(а):разговор о электронике, механика не в счет

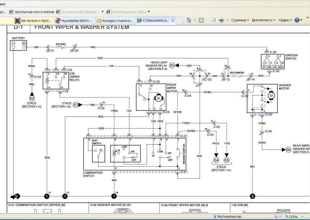
S&V писал(а):Не далее как вчера разбирался с одной из причин отсутствия прерывистого режима и остановки щеток "где попало".В результате обнаружилось следующее:в моторе стеклоочистителя есть пластиковое зубчатое колесо с наложенной на него фигурной токопроводной пластиной,по которой ходят три пружинных контакта.Со временем один из контактов протерся до сквозной дыры,появился местный нагрев,в результате которого на пластиковой шестерне возникла раковина, куда и провалилась управляющая пластина.К сожалению радикальному лечению сей дефект не поддается,т.к.управляющей пластины как отдельной запчасти не существует.Раковину залил расплавленным пластиком,дырявый контакт поджал и прерывистый режим полностью восстановился.Знаю,что это не надолго,следующий этап-замена мотора стеклоочистителя.Всем Удачи.
|
dima-filia писал(а):видимо надо реле посмотреть и менять
Где реле на них стоит? что посмотреть еще?
Bel-lex писал(а):что посмотреть еще?
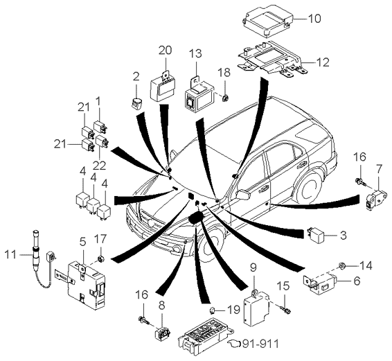
netoka писал(а):ETACS под номером 5 левая часть центральной консоли
Вернуться в Электрика и электроника (BL)
Сейчас этот форум просматривают: нет зарегистрированных пользователей и гости: 7