Добрый день!
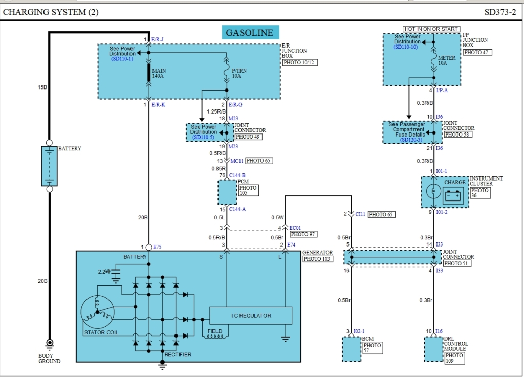
Для подключения автозапуска сигнализации scher khan logicar 5 i, нужно подключить контроль двигателя по генератору, т.е. сигналка славливает 12В после запуска двигателя и при этом считает что запуск произведен успешно. ВОПРОС! Где можно взять эти 12В которые появляются только при заведенном двигателе.
Контроль двигателя по тахометру сигналка напрочь не воспринимает.
