Продается соренто по запчастям, Москва ЮАО

Купля-продажа других запчастей, для которых нет отдельных разделов

Re: Продается соренто по запчастям, Москва ЮАО

Сообщение Бум » 24 июл 2015, 13:34

Евгений78 174 Приветствую. только суппорт в сборе 4500р
Аватара пользователя
Бум
 
Партнёр Клуба
 
Сообщения: 931
Зарегистрирован: 30 мар 2010, 20:29
Откуда: Москва
Благодарил (а): 7 раз.
Поблагодарили: 7 раз.
Имя: Андрей
Автомобиль: Sorento BL, 3.3 (247 л/с) TOD, AT
Год выпуска: 2009
Доп. информация: Запчасти на KIA SORENTO

Re: Продается соренто по запчастям, Москва ЮАО

Сообщение Igor_Ryazan » 26 июл 2015, 21:16

Здравствуйте ! Интересует локер правый передний на 2007 год
Igor_Ryazan
 
 
Сообщения: 341
Зарегистрирован: 21 июл 2015, 20:22
Откуда: Рязань
Благодарил (а): 9 раз.
Поблагодарили: 17 раз.
Имя: Игорь
Автомобиль: Sorento BL, 2.5TD (170 л/с), TOD, AT
Год выпуска: 2007
Доп. информация: Теперь другой

Re: Продается соренто по запчастям, Москва ЮАО

Сообщение Бум » 27 июл 2015, 13:55

Igor_Ryazan расширитель на крыло??
Аватара пользователя
Бум
 
Партнёр Клуба
 
Сообщения: 931
Зарегистрирован: 30 мар 2010, 20:29
Откуда: Москва
Благодарил (а): 7 раз.
Поблагодарили: 7 раз.
Имя: Андрей
Автомобиль: Sorento BL, 3.3 (247 л/с) TOD, AT
Год выпуска: 2009
Доп. информация: Запчасти на KIA SORENTO

Re: Продается соренто по запчастям, Москва ЮАО

Сообщение Igor_Ryazan » 27 июл 2015, 22:05

Типа снизу как подкрылок. Он вроде локером кличется. Да и левый тоже не очень.
Igor_Ryazan
 
 
Сообщения: 341
Зарегистрирован: 21 июл 2015, 20:22
Откуда: Рязань
Благодарил (а): 9 раз.
Поблагодарили: 17 раз.
Имя: Игорь
Автомобиль: Sorento BL, 2.5TD (170 л/с), TOD, AT
Год выпуска: 2007
Доп. информация: Теперь другой

Re: Продается соренто по запчастям, Москва ЮАО

Сообщение smoky61 » 28 июл 2015, 02:20

А суппорт новый или бу? Интересует на 2007 год,дизель автомат передние суппорта. Если есть ремкомплекты, то можно их.

Отправлено с моего Lenovo A7600-H через Tapatalk
Аватара пользователя
smoky61
 
 
Сообщения: 2639
Зарегистрирован: 29 сен 2013, 23:48
Откуда: Москва, Южное Тушино
Благодарил (а): 225 раз.
Поблагодарили: 143 раз.
Имя: Александр
Автомобиль: Sorento BL, 2.5TD (170 л/с), TOD, AT
Год выпуска: 2007
Доп. информация: Комплектация ЕХ, SUPER TOD, CiBi, чипанутый Пашей P-TAURUS, лифтанутый Пашей Fonudo

Re: Продается соренто по запчастям, Москва ЮАО

Сообщение Бум » 28 июл 2015, 12:38

Igor_Ryazan нет не осталось

smoky61 нет, ремкомплектов нету ... суппорта бу с 07 по 09 года есть
Аватара пользователя
Бум
 
Партнёр Клуба
 
Сообщения: 931
Зарегистрирован: 30 мар 2010, 20:29
Откуда: Москва
Благодарил (а): 7 раз.
Поблагодарили: 7 раз.
Имя: Андрей
Автомобиль: Sorento BL, 3.3 (247 л/с) TOD, AT
Год выпуска: 2009
Доп. информация: Запчасти на KIA SORENTO

Re: Продается соренто по запчастям, Москва ЮАО

Сообщение Eugene1067 » 30 июл 2015, 21:37

Здравствуйте, нужен водительский блок управления стеклоподъемниками.
Изображение
Аватара пользователя
Eugene1067
 
 
Сообщения: 386
Зарегистрирован: 02 июн 2010, 14:34
Откуда: Архангельск
Благодарил (а): 5 раз.
Поблагодарили: 1 раз.
Имя: Евгений
Автомобиль: Sorento BL, 2.5TD (14X л/с), Part-Time, AT
Год выпуска: 2002
Доп. информация: Черный LX на коже с люком, шумоизоляция, Multitronics RI-500, LED-поворотники, ДХО, KYB-Bilstein, H&R+45, полиуретан

Re: Продается соренто по запчастям, Москва ЮАО

Сообщение Бум » 31 июл 2015, 12:30

Eugene1067 Приветствую 2500р стоит блок управления стеклоподъемниками.
Аватара пользователя
Бум
 
Партнёр Клуба
 
Сообщения: 931
Зарегистрирован: 30 мар 2010, 20:29
Откуда: Москва
Благодарил (а): 7 раз.
Поблагодарили: 7 раз.
Имя: Андрей
Автомобиль: Sorento BL, 3.3 (247 л/с) TOD, AT
Год выпуска: 2009
Доп. информация: Запчасти на KIA SORENTO

Re: Продается соренто по запчастям, Москва ЮАО

Сообщение Kosh » 01 авг 2015, 19:28

Здравствуйте, интересует переднее левое крыло, передний бампер, капот, сорент XM. И такой вопрос, детали новые ? есть ли бу?
Kosh
 
 
Сообщения: 7
Зарегистрирован: 07 апр 2014, 14:02
Откуда: МО, г. Королёв
Благодарил (а): 0 раз.
Поблагодарили: 0 раз.
Имя: Александр
Автомобиль: Sorento XM, 2.4 (174 л/с), 4WD, AT
Год выпуска: 2011

Re: Продается соренто по запчастям, Москва ЮАО

Сообщение andrewman » 05 авг 2015, 23:24

Добрый день? Есть ли задний левый суппорт на 2008г?
Аватара пользователя
andrewman
 
 
Сообщения: 631
Зарегистрирован: 04 май 2014, 19:43
Откуда: Москва
Благодарил (а): 41 раз.
Поблагодарили: 74 раз.
Имя: Андрей
Автомобиль: Sorento BL, 2.5TD (170 л/с), TOD, AT
Год выпуска: 2008
Доп. информация: (Был) Экс-сорик Саши Меха, H&R +45mm, GY Duratrac, LED-тюнинг, тотально обслужен.
У отца (был) Sorento 2.5TD 170лс 2006, Super-TOD, BFgoodrich M/T KM2

Re: Продается соренто по запчастям, Москва ЮАО

Сообщение Igor_Ryazan » 07 авг 2015, 15:08

Интеркулер на Соря 2007 г.в. дизель?
Igor_Ryazan
 
 
Сообщения: 341
Зарегистрирован: 21 июл 2015, 20:22
Откуда: Рязань
Благодарил (а): 9 раз.
Поблагодарили: 17 раз.
Имя: Игорь
Автомобиль: Sorento BL, 2.5TD (170 л/с), TOD, AT
Год выпуска: 2007
Доп. информация: Теперь другой

Re: Продается соренто по запчастям, Москва ЮАО

Сообщение NRJ » 08 авг 2015, 12:37

Бум
577103E200 рейка рулевая на соренто 2007 интересует. Сколько денег?

Добавлено через 1 час 17 минут 21 секунду:
ну и заодно крыло переднее левое и бампер на рейстайл. желательно в черном цвете крыло, накладка на нем серого. и бампер такого же серого цвета
Аватара пользователя
NRJ
 
Клубный кальянщик
 
Сообщения: 3087
Зарегистрирован: 17 ноя 2013, 14:08
Откуда: МО, Балашиха
Благодарил (а): 232 раз.
Поблагодарили: 300 раз.
Имя: Сергей
Автомобиль: Другая машина
Год выпуска: 2019
Доп. информация: Mohave HM PE2, 2019, 260лс
- был Mohave, 2011, 8AT
- Был Sorento 2.5ТД МТ, 2009
- Был Sorento 3.3, 2007

Re: Продается соренто по запчастям, Москва ЮАО

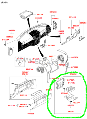
Сообщение hutch64 » 11 авг 2015, 15:35

CImage.ashx.png


Добрый день! Есть такая деталь на рестайл? В сборе.
hutch64
 
 
Сообщения: 7
Зарегистрирован: 01 мар 2013, 08:26
Откуда: Москва
Благодарил (а): 0 раз.
Поблагодарили: 0 раз.
Автомобиль: Sorento BL, 2.5TD (170 л/с), TOD, AT
Год выпуска: 2009

Re: Продается соренто по запчастям, Москва ЮАО

Сообщение Roman-86 » 11 авг 2015, 16:31

Доброго дня. Нужны
24350-3С100 - 2 шт. (2006, 3,3) НЕ аналог\замена.
Был: 3,3-2007: Super-TOD от Лёвы. Защита от Шерифа-усилена от MEXa. Самоблок от Вал-рейсинга-преднатяг 10кг. Выведены сапуны: редуктор, раздатка, мост. Катализаторы OFF. Глушитель BOSAL. Шумка днища, задней двери. Аморты Boge.
Сейчас: 3,3-2008: Super-TOD от Лёвы, Сапун пока только из раздатки. Шумка днища, задней двери. Аморты Boge. Кто дочитал это, тому, пересаживайтесь на LCP 120, год уже как без вложений.
Аватара пользователя
Roman-86
 
 
Сообщения: 693
Зарегистрирован: 16 апр 2011, 18:59
Откуда: Нижневартовск
Благодарил (а): 6 раз.
Поблагодарили: 43 раз.
Имя: Роман
Автомобиль: Sorento BL, 3.3 (247 л/с) TOD, AT
Год выпуска: 2008
Доп. информация: был Sorento BL 3,3 (2007) всё в подписи

Re: Продается соренто по запчастям, Москва ЮАО

Сообщение Бум » 17 авг 2015, 12:26

Kosh приветствую. БАмпер основная часть 5500р капот 11000р все новое оригинальное.

andrewman Приветствую. Есть бу 4000р

Igor_Ryazan 10т.р. в сборе

NRJ рейка 10-15 в зависимости от состояния. Крыло новое оригинальное 7000р остольного пока нет

hutch64 Приветствую. да бу 3000р

Roman-86 Приветствую. Есть ДВс в сборе с бошками но из за ванусов разбирать не будем .... Нету отдельно ...
Аватара пользователя
Бум
 
Партнёр Клуба
 
Сообщения: 931
Зарегистрирован: 30 мар 2010, 20:29
Откуда: Москва
Благодарил (а): 7 раз.
Поблагодарили: 7 раз.
Имя: Андрей
Автомобиль: Sorento BL, 3.3 (247 л/с) TOD, AT
Год выпуска: 2009
Доп. информация: Запчасти на KIA SORENTO

Пред.След.

Вернуться в Купля-продажа автозапчастей

Кто сейчас на конференции

Сейчас этот форум просматривают: нет зарегистрированных пользователей и гости: 3